轴承专区
Bearings Center
UCP211轴承-UBC UCP211轴承尺寸、图纸、价格
UBC UCP211轴承
| 产品名称: | UCP211轴承 | 品牌: | UBC |
|---|---|---|---|
| 类型: | UBC轴承 > 带座外球面球轴承 > 带立式座外球面球轴承 | ||
| 描述: | UCP211轴承是【UBC轴承 > 带座外球面球轴承 > 带立式座外球面球轴承】的型号,主要用在各种产业机械、离心分离机、提升机、变速器、印刷机械、制铁制钢机械、发电厂、医药设备、起重机械、塔式车库等各大领域 | ||
电话/微信:138-8949-5179
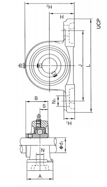
UBC UCP211轴承详细信息
UCP211轴承是【UBC轴承 > 带座外球面球轴承 > 带立式座外球面球轴承】的型号,主要用在各种产业机械、离心分离机、提升机、变速器、印刷机械、制铁制钢机械、发电厂、医药设备、起重机械、塔式车库等各大领域。
UBC UCP211轴承详细参数
| 带座轴承 | |
| 型号 | UCP211 |
| d1 | |
| mm | 55 |
| 外形尺寸(mm) | |
| H | 63.5 |
| L | 219 |
| A | 60 |
| J | 171 |
| N | 20 |
| N1 | 25 |
| H1 | 22 |
| H2 | 126 |
| B | 55.6 |
| S | 22.2 |
| 螺栓 | |
| 规格 | M16 |
| 轴承 | |
| 型号 | UC211 |
| 基本额定动载荷 Cr(N) | 43000 |
| 基本额定静载荷 Cor(N) | 29400 |
| 座 | |
| 型号 | P211 |
| 重量 | |
| kg | 3.3 |
UBC UCP211轴承尺寸图纸

