轴承专区
Bearings Center
UC205轴承-UBC UC205轴承尺寸、图纸、价格
UBC UC205轴承
| 产品名称: | UC205轴承 | 品牌: | UBC |
|---|---|---|---|
| 类型: | UBC轴承 > 带座外球面球轴承 > 带立式座外球面球轴承 | ||
| 描述: | UC205轴承是【UBC轴承 > 带座外球面球轴承 > 带立式座外球面球轴承】的型号,主要用在后轮、燃汽轮机、燃汽轮机、后轮、振动筛、起重机吊钩、水力发电机、钟表、强夯机、焊接机器人等各大领域 | ||
电话/微信:138-8949-5179
UBC UC205轴承详细信息
UC205轴承是【UBC轴承 > 带座外球面球轴承 > 带立式座外球面球轴承】的型号,主要用在后轮、燃汽轮机、燃汽轮机、后轮、振动筛、起重机吊钩、水力发电机、钟表、强夯机、焊接机器人等各大领域。
UBC UC205轴承详细参数
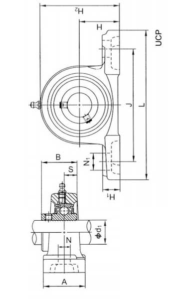
| 轴承 | |
| 型号 | UC205 |
| d1 | |
| mm | 25 |
| 外形尺寸(mm) | |
| H | 36.5 |
| L | 140 |
| A | 38 |
| J | 105 |
| N | 13 |
| N1 | 16 |
| H1 | 16 |
| H2 | 70 |
| B | 34 |
| S | 14.3 |
| 螺栓 | |
| 规格 | M10 |
| 带座轴承 | |
| 型号 | UCP205 |
| 座 | |
| 基本额定动载荷 Cr(N) | 14000 |
| 重量 | |
| 基本额定静载荷 Cor(N) | 7900 |
UBC UC205轴承尺寸图纸

