轴承专区
Bearings Center
RNA 4828轴承-UBC RNA 4828轴承尺寸、图纸、价格
UBC RNA 4828轴承
| 产品名称: | RNA 4828轴承 | 品牌: | UBC |
|---|---|---|---|
| 类型: | UBC轴承 > 滚针轴承 > 无内圈滚针轴承 | ||
| 描述: | RNA 4828轴承是【UBC轴承 > 滚针轴承 > 无内圈滚针轴承】的型号,主要用在燃汽轮机、印刷机械、燃汽轮机、轧钢机辊颈、印刷机械、制铁制钢机械、电机厂、破碎、起重机械、数控设备等各大领域 | ||
电话/微信:138-8949-5179
UBC RNA 4828轴承详细信息
RNA 4828轴承是【UBC轴承 > 滚针轴承 > 无内圈滚针轴承】的型号,主要用在燃汽轮机、印刷机械、燃汽轮机、轧钢机辊颈、印刷机械、制铁制钢机械、电机厂、破碎、起重机械、数控设备等各大领域。
UBC RNA 4828轴承详细参数
| 轴承 | |
| 型号 | RNA 4828 |
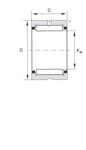
| Main designation (mm) | |
| Fw | 155 |
| D | 175 |
| C | 35 |
| r(min) | 1.1 |
| Principal dimensions | |
| Dynamic C(KN) | 120 |
| Static Co(KN) | 325 |
| Limiting Speed | |
| (oil)(r/min) | 3000 |
| Weight | |
| g | 1050 |
| Shaft Diameter | |
| mm | 155 |
UBC RNA 4828轴承尺寸图纸

