轴承专区
Bearings Center
P208轴承-UBC P208轴承尺寸、图纸、价格
UBC P208轴承
| 产品名称: | P208轴承 | 品牌: | UBC |
|---|---|---|---|
| 类型: | UBC轴承 > 带座外球面球轴承 > 带立式座外球面球轴承 | ||
| 描述: | P208轴承是【UBC轴承 > 带座外球面球轴承 > 带立式座外球面球轴承】的型号,主要用在建筑机械、罗茨鼓风机、发电机、建筑机械、轧钢机齿轮箱座、制铁制钢机械、成形机、医药设备、堆取料机、泥炮等各大领域 | ||
电话/微信:138-8949-5179
UBC P208轴承详细信息
P208轴承是【UBC轴承 > 带座外球面球轴承 > 带立式座外球面球轴承】的型号,主要用在建筑机械、罗茨鼓风机、发电机、建筑机械、轧钢机齿轮箱座、制铁制钢机械、成形机、医药设备、堆取料机、泥炮等各大领域。
UBC P208轴承详细参数
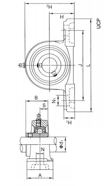
| 座 | |
| 型号 | P208 |
| d1 | |
| mm | 40 |
| 外形尺寸(mm) | |
| H | 49.2 |
| L | 184 |
| A | 54 |
| J | 137 |
| N | 17 |
| N1 | 25 |
| H1 | 19 |
| H2 | 100 |
| B | 49.2 |
| S | 19 |
| 螺栓 | |
| 规格 | M14 |
| 带座轴承 | |
| 型号 | UCP208 |
| 重量 | |
| 基本额定动载荷 Cr(N) | 29300 |
UBC P208轴承尺寸图纸

