轴承专区
Bearings Center
7203轴承-UBC 7203轴承尺寸、图纸、价格
UBC 7203轴承
| 产品名称: | 7203轴承 | 品牌: | UBC |
|---|---|---|---|
| 类型: | UBC轴承 > 角接触球轴承 > 单列角接触球轴承 | ||
| 描述: | 7203轴承是【UBC轴承 > 角接触球轴承 > 单列角接触球轴承】的型号,主要用在飞机喷气式发动机、燃料喷射泵、纺织机械传动轴、齿轮减速装置、振动筛、起重机吊钩、燃机、破碎、专用车、厨具设备等各大领域 | ||
电话/微信:138-8949-5179
UBC 7203轴承详细信息
7203轴承是【UBC轴承 > 角接触球轴承 > 单列角接触球轴承】的型号,主要用在飞机喷气式发动机、燃料喷射泵、纺织机械传动轴、齿轮减速装置、振动筛、起重机吊钩、燃机、破碎、专用车、厨具设备等各大领域。
UBC 7203轴承详细参数
| 轴承 | |
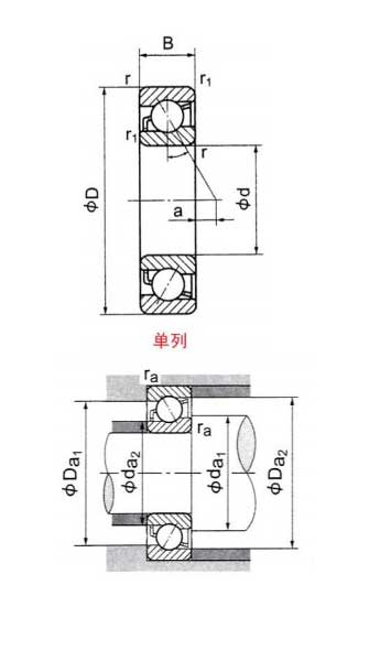
| 型号 | 7203 |
| Principal dimensions | |
| d | 17 |
| D | 40 |
| B | 12 |
| r(min) | 0.6 |
| 1*1(min) | 0.3 |
| Load centerline | |
| mm | 2.2 |
| Basic load rating Dynamic Cr(N) | |
| Single | 11900 |
| Paired | 19400 |
| Basic load rating Static C0r(N) | |
| Single | 6600 |
| Paired | 13200 |
| Limiting speed(grease) | |
| Single | 16000 |
| Paired | 13000 |
| Limiting speed(oil) | |
| Single | 21000 |
| Paired | 17000 |
| Abutment and fillet Dimensions(mm) | |
| da1(min) | 22 |
| da2(min) | 19 |
| Da1(max) | 35 |
| Da2(max) | 37.4 |
| ra(max) | 0.6 |
| ra1(max) | 0.3 |
| Ref. Weight(kg) | |
| Single | 0.070 |
UBC 7203轴承尺寸图纸

