轴承专区
Bearings Center
30304轴承-UBC 30304轴承尺寸、图纸、价格
UBC 30304轴承
| 产品名称: | 30304轴承 | 品牌: | UBC |
|---|---|---|---|
| 类型: | UBC轴承 > 圆锥滚子轴承 | ||
| 描述: | 30304轴承是【UBC轴承 > 圆锥滚子轴承】的型号,主要用在飞机喷气式发动机、油泵、压缩机、机床主轴、木工机械、起重机吊钩、燃机、塑料、专用车、坦克等各大领域 | ||
电话/微信:138-8949-5179
UBC 30304轴承详细信息
30304轴承是【UBC轴承 > 圆锥滚子轴承】的型号,主要用在飞机喷气式发动机、油泵、压缩机、机床主轴、木工机械、起重机吊钩、燃机、塑料、专用车、坦克等各大领域。
UBC 30304轴承详细参数
| 轴承 | |
| 型号 | 30304 |
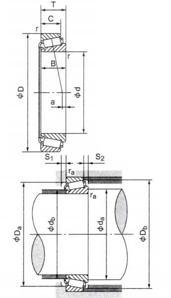
| Principal dimensions | |
| d | 20 |
| D | 52 |
| B | 15 |
| T | 16.25 |
| C | 13 |
| Inner ring | |
| r(min) | 1.5 |
| Outer ring | |
| r(min) | 1.5 |
| Basic load rating | |
| Dynamic Cr(N) | 35000 |
| Static Cor(N) | 35500 |
| Limiting speed(rpm) | |
| Grease | 8000 |
| Oil | 10700 |
| Abutment and fillet Dimensions(mm) | |
| da (min) | 27 |
| db (min) | 27 |
| Da (max) | 43 |
| Db (max) | 47 |
| Si (max) | 2 |
| S2 (max) | 5 |
| Inner ring r(min) | 1.5 |
| Outer ring r(min) | 1.5 |
| Load Center (mm) | |
| a | 4.7 |
| Ref. Weight | |
| kg | 0.170 |
UBC 30304轴承尺寸图纸

