李工:138-8949-5179 刘工:135-0428-8802
型号查询
轴承型号   常见搜索: 6014轴承 6018轴承 617轴承 32313轴承 6006轴承 6020轴承
型号查询 X

轴承专区

Bearings Center

SR15MSV2CS+400LSP直线导轨-THK SR15MSV2CS+400LSP直线导轨尺寸、图纸、价格

THK SR15MSV2CS+400LSP直线导轨

产品名称:SR15MSV2CS+400LSP直线导轨 品牌:THK
类型:THK直线导轨 > SR系列
描述:SR15MSV2CS+400LSP导轨是【THK品牌下的SR系列】的型号,主要用在各种产业机械、高频马达、纺织机械传动轴、前轮、破碎机、机床主轴、发电厂、玩具、混凝土机械、冶金起重机等各大领域

 电话/微信:138-8949-5179

THK SR15MSV2CS+400LSP直线导轨详细信息

SR15MSV2CS+400LSP导轨是【THK品牌下的SR系列】的型号,主要用在各种产业机械、高频马达、纺织机械传动轴、前轮、破碎机、机床主轴、发电厂、玩具、混凝土机械、冶金起重机等各大领域。

THK SR15MSV2CS+400LSP直线导轨详细参数

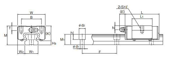
型号:SR15MSV2CS+400LSP导轨类型:SR
滑块数:1导轨长度(mm):2020
宽泛型号:SR35TB1C1M+[124-2020/1]LPM一般货期:98日
种类:标准型套装产品/单件产品:套装产品
滑块形状:宽幅型材质:不锈钢
导轨种类:标准型导轨宽度 W1(mm) :34
安装高度 M (mm):48组装于单轴的LM滑块数(个):1
钢珠排列:4列圆弧保持器:
润滑装置:涂润滑油径向间隙:轻预压
精度等级:精密级导轨长 L (mm):124~2020
滑块外形尺寸W (mm):100滑块外形尺寸L (mm):111
滑块安装孔:钻孔滑块安装孔数 (个):4
安装孔尺寸S (M):-安装孔尺寸H (mm):9
安装孔螺纹深度(mm) :贯通滑块尺寸L1 (mm):79
滚动体:滚珠基本额定动负荷C(N) :41700
基本额定静负荷 Co (N):77200容许静力矩 MA (N*M):740
容许静力矩 MB (N*M):454容许静力矩 MC (N*M):1010

THK SR15MSV2CS+400LSP直线导轨尺寸图纸

李工:138-8949-5179

刘工:135-0428-8802

地址:辽宁省大连经济技术开发区现代城3栋-13-13号

在线客服系统