轴承专区
Bearings Center
SHS30LV2C1+1240LUP直线导轨-THK SHS30LV2C1+1240LUP直线导轨尺寸、图纸、价格
THK SHS30LV2C1+1240LUP直线导轨
| 产品名称: | SHS30LV2C1+1240LUP直线导轨 | 品牌: | THK |
|---|---|---|---|
| 类型: | THK直线导轨 > SHS系列 | ||
| 描述: | SHS30LV2C1+1240LUP导轨是【THK品牌下的SHS系列】的型号,主要用在电气装置部件、机床主轴、木工机械、汽车、振动筛、耕耘机、船舶用螺旋桨轴、薄膜拉伸、平地机、摩天轮等各大领域 | ||
电话/微信:138-8949-5179
THK SHS30LV2C1+1240LUP直线导轨详细信息
SHS30LV2C1+1240LUP导轨是【THK品牌下的SHS系列】的型号,主要用在电气装置部件、机床主轴、木工机械、汽车、振动筛、耕耘机、船舶用螺旋桨轴、薄膜拉伸、平地机、摩天轮等各大领域。
THK SHS30LV2C1+1240LUP直线导轨详细参数
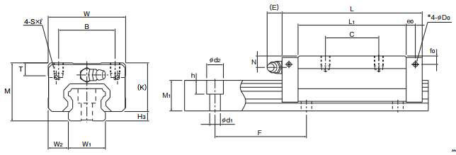
| 型号: | SHS30LV2C1+1240LUP导轨 | 类型: | SHS |
| 滑块数: | 3 | 导轨长度(mm): | 440 |
| 宽泛型号: | SHS30C3C0+[357-2500/1]LUP | 一般货期: | 询价 |
| 种类: | 标准型 | 套装产品: | 套装产品 |
| 滑块形状: | 宽幅型 | 材质: | 碳素钢 |
| 导轨种类: | 标准型 | 导轨宽度 W1 (mm): | 28 |
| 安装高度 M (mm): | 42 | 组装于单轴的LM滑块数: | 3 |
| 钢珠排列: | 4列圆弧 | 保持器: | 有 |
| 径向间隙: | 中预压 | 精度等级: | 超超精密级 |
| 导轨长 L(mm) : | 357~2500 | 滑块外形尺寸W (mm): | 90 |
| 滑块外形尺寸L (mm): | 106 | 滑块安装孔: | 螺纹孔 |
| 滑块安装孔数 (个): | 4 | 安装孔尺寸S (M): | M10 |
| 安装孔螺纹深度 (mm): | 贯通 | 滑块尺寸L1 (mm): | 80 |
| 防尘用标记: | - | 滚动体: | 滚珠 |
| 基本额定动负荷C (N): | 44800 | 基本额定静负荷 Co (N): | 66600 |
| 容许静力矩 MA (N・m): | 786 | 容许静力矩 MB (N・m): | 786 |
| 容许静力矩 MC (N・m): | 865 |
THK SHS30LV2C1+1240LUP直线导轨尺寸图纸

