李工:138-8949-5179 刘工:135-0428-8802
型号查询
轴承型号   常见搜索: 6010轴承 6007轴承 71913轴承 2026轴承 6909轴承 6019轴承
型号查询 X

轴承专区

Bearings Center

HSR65A7C1+3000L直线导轨-THK HSR65A7C1+3000L直线导轨尺寸、图纸、价格

THK HSR65A7C1+3000L直线导轨

产品名称:HSR65A7C1+3000L直线导轨 品牌:THK
类型:THK直线导轨 > HSR系列
描述:HSR65A7C1+3000L导轨是【THK品牌下的HSR系列】的型号,主要用在家用电器、小型汽车前轮、变速器、差速器、轧钢机辊道子、耕耘机、塔吊、纺织、地基处理机械、冶金起重机等各大领域

 电话/微信:138-8949-5179

THK HSR65A7C1+3000L直线导轨详细信息

HSR65A7C1+3000L导轨是【THK品牌下的HSR系列】的型号,主要用在家用电器、小型汽车前轮、变速器、差速器、轧钢机辊道子、耕耘机、塔吊、纺织、地基处理机械、冶金起重机等各大领域。

THK HSR65A7C1+3000L直线导轨详细参数

型号:HSR65A7C1+3000L导轨类型:HSR
滑块数:4导轨长度(mm):2355
宽泛型号:HSR45LR4C1+[752-2590/1]LSP一般货期:询价
种类:标准型套装产品/单件产品:套装产品
滑块形状:标准型材质:碳素钢
导轨种类:标准型导轨宽度 W1(mm):45
安装高度 M(mm):70组装于单轴的LM滑块数(个):4
钢珠排列:4列圆弧保持器:
润滑装置:-径向间隙:轻预压
精度等级:超精密级导轨长 L(mm):752~2590
滑块外形尺寸W(mm):86滑块外形尺寸L(mm):170.8
滑块安装孔:螺纹孔滑块安装孔数(个):4
安装孔尺寸S(M):M10安装孔尺寸H(mm):-
安装孔螺纹深度(mm):17滑块尺寸L1(mm):129.8
滚动体:滚珠基本额定动负荷C(N):80400
基本额定静负荷 Co(N):127000容许静力矩 MA(N*M):2440
容许静力矩 MB(N*M):2440容许静力矩 MC(N*M):2430

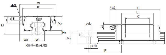
THK HSR65A7C1+3000L直线导轨尺寸图纸

李工:138-8949-5179

刘工:135-0428-8802

地址:辽宁省大连经济技术开发区现代城3栋-13-13号

在线客服系统