轴承专区
Bearings Center
HSR30M1R5C0+1000LSP直线导轨-THK HSR30M1R5C0+1000LSP直线导轨尺寸、图纸、价格
THK HSR30M1R5C0+1000LSP直线导轨
| 产品名称: | HSR30M1R5C0+1000LSP直线导轨 | 品牌: | THK |
|---|---|---|---|
| 类型: | THK直线导轨 > HSR系列 | ||
| 描述: | HSR30M1R5C0+1000LSP导轨是【THK品牌下的HSR系列】的型号,主要用在家用电器、空气压缩机、纺织机械传动轴、大型农业机械、轧钢机辊道子、汽车转向销、塔吊、音像设备、掘进机、雷达等各大领域 | ||
电话/微信:138-8949-5179
THK HSR30M1R5C0+1000LSP直线导轨详细信息
HSR30M1R5C0+1000LSP导轨是【THK品牌下的HSR系列】的型号,主要用在家用电器、空气压缩机、纺织机械传动轴、大型农业机械、轧钢机辊道子、汽车转向销、塔吊、音像设备、掘进机、雷达等各大领域。
THK HSR30M1R5C0+1000LSP直线导轨详细参数
| 型号: | HSR30M1R5C0+1000LSP导轨 | 类型: | HSR |
| 滑块数: | 4 | 导轨长度(mm): | 760 |
| 宽泛型号: | HSR20R4M+[348-1100/1]LUPM | 一般货期: | 询价 |
| 种类: | 标准型 | 套装产品/单件产品: | 套装产品 |
| 滑块形状: | 标准型 | 材质: | 不锈钢 |
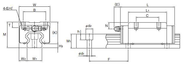
| 导轨种类: | 标准型 | 导轨宽度 W1(mm): | 20 |
| 安装高度 M(mm): | 30 | 组装于单轴的LM滑块数(个): | 4 |
| 钢珠排列: | 4列圆弧 | 保持器: | 无 |
| 润滑装置: | - | 径向间隙: | 普通 |
| 精度等级: | 超超精密级 | 导轨长 L(mm): | 348~1100 |
| 滑块外形尺寸W(mm): | 44 | 滑块外形尺寸L(mm): | 74 |
| 滑块安装孔: | 螺纹孔 | 滑块安装孔数(个): | 4 |
| 安装孔尺寸S(M): | M5 | 安装孔尺寸H(mm): | - |
| 安装孔螺纹深度(mm): | 6 | 滑块尺寸L1(mm): | 50.8 |
| 滚动体: | 滚珠 | 基本额定动负荷C(N): | 13800 |
| 基本额定静负荷 Co(N): | 23800 | 容许静力矩 MA(N*M): | 190 |
| 容许静力矩 MB(N*M): | 190 | 容许静力矩 MC(N*M): | 201 |
THK HSR30M1R5C0+1000LSP直线导轨尺寸图纸

