李工:138-8949-5179 刘工:135-0428-8802
型号查询
轴承型号   常见搜索: 7014轴承 6028轴承 6004轴承 6019轴承 6026轴承 6003轴承
型号查询 X

轴承专区

Bearings Center

HSR25HA2M+1100LPM直线导轨-THK HSR25HA2M+1100LPM直线导轨尺寸、图纸、价格

THK HSR25HA2M+1100LPM直线导轨

产品名称:HSR25HA2M+1100LPM直线导轨 品牌:THK
类型:THK直线导轨 > HSR系列
描述:HSR25HA2M+1100LPM导轨是【THK品牌下的HSR系列】的型号,主要用在铁路车辆、燃汽轮机、挖土机履带轮、后轮、铁路车辆车轴、起重机吊钩、冶炼厂、饮料设备、专用车、吹氧装置等各大领域

 电话/微信:138-8949-5179

THK HSR25HA2M+1100LPM直线导轨详细信息

HSR25HA2M+1100LPM导轨是【THK品牌下的HSR系列】的型号,主要用在铁路车辆、燃汽轮机、挖土机履带轮、后轮、铁路车辆车轴、起重机吊钩、冶炼厂、饮料设备、专用车、吹氧装置等各大领域。

THK HSR25HA2M+1100LPM直线导轨详细参数

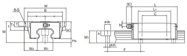
型号:HSR25HA2M+1100LPM导轨类型:HSR
滑块数:9导轨长度(mm):1100
宽泛型号:HSR25LR9+[1044-1100/1]LUP一般货期:询价
种类:标准型套装产品/单件产品:套装产品
滑块形状:标准型材质:碳素钢
导轨种类:标准型导轨宽度 W1(mm):23
安装高度 M(mm):40组装于单轴的LM滑块数(个):9
钢珠排列:4列圆弧保持器:
润滑装置:-径向间隙:普通
精度等级:超超精密级导轨长 L(mm):1044~1100
滑块外形尺寸W(mm):48滑块外形尺寸L(mm):102.2
滑块安装孔:螺纹孔滑块安装孔数(个):4
安装孔尺寸S(M):M6安装孔尺寸H(mm):-
安装孔螺纹深度(mm):8滑块尺寸L1(mm):78.6
滚动体:滚珠基本额定动负荷C(N):27200
基本额定静负荷 Co(N):45900容许静力矩 MA(N*M):529
容许静力矩 MB(N*M):529容许静力矩 MC(N*M):459

THK HSR25HA2M+1100LPM直线导轨尺寸图纸

李工:138-8949-5179

刘工:135-0428-8802

地址:辽宁省大连经济技术开发区现代城3栋-13-13号

在线客服系统