轴承专区
Bearings Center
GSR30T3+2000LR直线导轨-THK GSR30T3+2000LR直线导轨尺寸、图纸、价格
THK GSR30T3+2000LR直线导轨
| 产品名称: | GSR30T3+2000LR直线导轨 | 品牌: | THK |
|---|---|---|---|
| 类型: | THK直线导轨 > GSR系列 | ||
| 描述: | GSR30T3+2000LR导轨是【THK品牌下的GSR系列】的型号,主要用在农业机械、机床主轴、木工机械、汽车、铁路车辆车轴、汽车转向销、钢铁厂、薄膜拉伸、土方机械、太阳能发电设备等各大领域 | ||
电话/微信:138-8949-5179
THK GSR30T3+2000LR直线导轨详细信息
GSR30T3+2000LR导轨是【THK品牌下的GSR系列】的型号,主要用在农业机械、机床主轴、木工机械、汽车、铁路车辆车轴、汽车转向销、钢铁厂、薄膜拉伸、土方机械、太阳能发电设备等各大领域。
THK GSR30T3+2000LR直线导轨详细参数
| 型号: | GSR30T3+2000LR导轨 | 类型: | GSR |
| 导轨长度: | 1320 | 宽泛型号: | GSR30T5+[580-3000/1]LP |
| 一般货期: | 98日 | 种类: | 分离 |
| 套装产品/单件产品: | 套装产品 | 滑块形状: | 标准型 |
| 材质: | 碳素钢 | 导轨种类: | 标准型 |
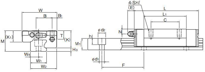
| 导轨宽度 W1: | 28 | 安装高度 M: | 33 |
| 组装于单轴的LM滑块数: | 5 | 钢珠排列: | 2列圆弧 |
| 保持器: | 无 | 润滑装置: | 涂润滑油 |
| 精度等级: | 精密级 | 导轨长 L: | 580~3000 |
| 滑块外形尺寸W: | 57 | 滑块外形尺寸L: | 103 |
| 滑块安装孔: | 螺纹孔 | 滑块安装孔数: | 4 |
| 安装孔尺寸S: | M8 | 安装孔螺纹深度: | 12 |
| 滑块尺寸L1: | 70.3 | 带齿条LM轨道标记: | - |
| 滚动体: | 滚珠 | 基本额定动负荷C: | 18800 |
| 基本额定静负荷 Co: | 25900 | 容许静力矩 MA: | 282 |
| 容许静力矩 MB: | 243 |
THK GSR30T3+2000LR直线导轨尺寸图纸

