李工:138-8949-5179 刘工:135-0428-8802
型号查询
轴承型号   常见搜索: 617轴承 6019轴承 6309轴承 6003轴承 6021轴承 6014轴承
型号查询 X

轴承专区

Bearings Center

4SRS15N+790LPM直线导轨-THK 4SRS15N+790LPM直线导轨尺寸、图纸、价格

THK 4SRS15N+790LPM直线导轨

产品名称:4SRS15N+790LPM直线导轨 品牌:THK
类型:THK直线导轨 > SRS系列
描述:4SRS15N+790LPM导轨是【THK品牌下的SRS系列】的型号,主要用在燃汽轮机、高频马达、燃汽轮机、前轮、破碎机、机床主轴、电机厂、制鞋、挖掘机、码垛机器人等各大领域

 电话/微信:138-8949-5179

THK 4SRS15N+790LPM直线导轨详细信息

4SRS15N+790LPM导轨是【THK品牌下的SRS系列】的型号,主要用在燃汽轮机、高频马达、燃汽轮机、前轮、破碎机、机床主轴、电机厂、制鞋、挖掘机、码垛机器人等各大领域。

THK 4SRS15N+790LPM直线导轨详细参数

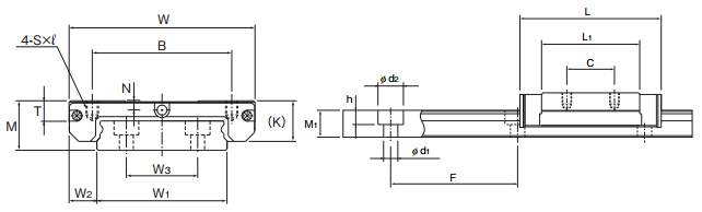
型号:4SRS15N+790LPM导轨类型:SRS
滑块数:8导轨长度(mm):750
宽泛型号:SRS12M+[288-834/1]LPM一般货期:36日
种类:微型套装产品/单件产品:套装产品
滑块形状:标准型材质:不锈钢
导轨种类:标准型导轨宽度 W1(mm):12
安装高度 M(mm):13组装于单轴的LM滑块数(个):8
钢珠排列:标准型保持器:
径向间隙:普通精度等级:精密级
导轨长 L(mm):288~834滑块外形尺寸W(mm):27
滑块外形尺寸L(mm):34.4滑块安装孔:螺纹孔
滑块安装孔数(个):4安装孔尺寸S(M):M3
安装孔螺纹深度(mm):3.2滑块尺寸L1(mm):20.6
防尘用标记:-滚动体:滚珠
基本额定动负荷C(N):4000基本额定静负荷 Co(N):3530
容许静力矩 MA(N*M):12容许静力矩 MB(N*M):12
容许静力矩 MC(N*M):23.1

THK 4SRS15N+790LPM直线导轨尺寸图纸

李工:138-8949-5179

刘工:135-0428-8802

地址:辽宁省大连经济技术开发区现代城3栋-13-13号

在线客服系统