轴承专区
Bearings Center
4SCR15S+284/160LP直线导轨-THK 4SCR15S+284/160LP直线导轨尺寸、图纸、价格
THK 4SCR15S+284/160LP直线导轨
| 产品名称: | 4SCR15S+284/160LP直线导轨 | 品牌: | THK |
|---|---|---|---|
| 类型: | THK直线导轨 > SCR系列 | ||
| 描述: | 4SCR15S+284/160LP导轨是【THK品牌下的SCR系列】的型号,主要用在变速器、高频马达、木工机械、前轮、轧钢机齿轮箱座、机床主轴、立式电动机、纺织、挖掘机、正面吊等各大领域 | ||
电话/微信:138-8949-5179
THK 4SCR15S+284/160LP直线导轨详细信息
4SCR15S+284/160LP导轨是【THK品牌下的SCR系列】的型号,主要用在变速器、高频马达、木工机械、前轮、轧钢机齿轮箱座、机床主轴、立式电动机、纺织、挖掘机、正面吊等各大领域。
THK 4SCR15S+284/160LP直线导轨详细参数
| 型号: | 4SCR15S+284/160LP导轨 | 类型: | SCR |
| 滑块数: | 4 | X轴轨道长度: | 1270 |
| Y型轨道长度: | 1270 | 宽泛型号: | 4SCR65C0+[1156-2500/1]/[289-2500/1]LUP |
| 一般货期: | 98日 | 种类: | 交叉滚动导轨 |
| 套装产品/单件产品: | 套装产品 | 滑块形状: | 标准型 |
| 材质: | 碳素钢 | 导轨种类: | 标准型 |
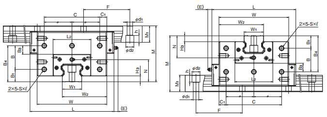
| 导轨宽度 W1: | 63 | 安装高度 M: | 180 |
| 组装于单轴的LM滑块数: | 4 | 钢珠排列: | 4列圆弧 |
| 保持器: | 有 | 径向间隙: | 中预压 |
| 精度等级: | 超超精密级 | 导轨长 L: | 1156~2500 |
| Y轴轨道长度(仅交叉滚动导轨适用): | 289~2500 | 滑块外形尺寸W: | 226 |
| 滑块外形尺寸L: | 272 | 滑块安装孔: | 螺纹孔 |
| 滑块安装孔数: | 2×5 | 安装孔尺寸S: | M14 |
| 安装孔螺纹深度: | 22 | 滑块尺寸L1: | 123 |
| 容许静力矩 Mo: | 11900 | 滚动体: | 滚珠 |
| 基本额定动负荷C: | 253000 | 基本额定静负荷 Co: | 408000 |
| 容许静力矩 MB: | 13300 |
THK 4SCR15S+284/160LP直线导轨尺寸图纸

