轴承专区
Bearings Center
4CSR25SC0+1960/1960LSP直线导轨-THK 4CSR25SC0+1960/1960LSP直线导轨尺寸、图纸、价格
THK 4CSR25SC0+1960/1960LSP直线导轨
| 产品名称: | 4CSR25SC0+1960/1960LSP直线导轨 | 品牌: | THK |
|---|---|---|---|
| 类型: | THK直线导轨 > CSR系列 | ||
| 描述: | 4CSR25SC0+1960/1960LSP导轨是【THK品牌下的CSR系列】的型号,主要用在电气装置部件、空气压缩机、桥式起重机、大型农业机械、铁路车辆车轴、汽车转向销、船舶用螺旋桨轴、塑料、掘进机、风力发电设备等各大领域 | ||
电话/微信:138-8949-5179
THK 4CSR25SC0+1960/1960LSP直线导轨详细信息
4CSR25SC0+1960/1960LSP导轨是【THK品牌下的CSR系列】的型号,主要用在电气装置部件、空气压缩机、桥式起重机、大型农业机械、铁路车辆车轴、汽车转向销、船舶用螺旋桨轴、塑料、掘进机、风力发电设备等各大领域。
THK 4CSR25SC0+1960/1960LSP直线导轨详细参数
| 型号: | 4CSR25SC0+1960/1960LSP导轨 | 类型: | CSR |
| 滑块数: | 4 | X轴导轨型号: | CSR25+388LUP |
| X轴轨道长度: | 388 | Y轴导轨型号: | CSR25+340LUP |
| Y轴轨道长度: | 340 | 宽泛型号: | 4CSR25SC1+[388-3000/1]/[97-3000/1]LUP |
| 交货时间: | 98日 | 种类: | 交叉滚动导轨 |
| 套装产品/单件产品: | 套装产品 | 滑块形状: | 标准型 |
| 材质: | 碳素钢 | 导轨种类: | 标准型 |
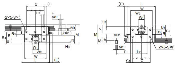
| 导轨宽度 W1(mm): | 23 | 安装高度 M(mm): | 70 |
| 组装于单轴的LM滑块数: | 4 | 钢珠排列: | 4列圆弧 |
| 保持器: | 无 | 润滑装置: | 涂润滑油 |
| 径向间隙: | 轻预压 | 精度等级: | 超超精密级 |
| 导轨长 L(mm): | 388~3000 | Y轴轨道长度(仅交叉滚动导轨适用)(mm): | 97~3000 |
| 滑块外形尺寸W(mm): | 59.5 | 滑块外形尺寸L(mm): | 83.1 |
| 滑块安装孔: | 螺纹孔 | 滑块安装孔数(个): | 2×2 |
| 安装孔尺寸S(M): | M6 | 安装孔螺纹深度(mm): | 10 |
| 容许静力矩 Mo(N*M): | 307 | X轴LM轨道螺孔类型标记: | 无 |
| X轴LM轨道表面处理: | 无 | 滚动体: | 滚珠 |
| 基本额定动负荷C(N): | 19900 | 基本额定静负荷 Co(N): | 34400 |
THK 4CSR25SC0+1960/1960LSP直线导轨尺寸图纸

