轴承专区
Bearings Center
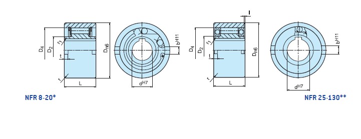
NFR50轴承-STIEBER NFR50轴承尺寸、图纸、价格
STIEBER NFR50轴承
| 产品名称: | NFR50轴承 | 品牌: | STIEBER |
|---|---|---|---|
| 类型: | STIEBER轴承 > Stieber-NFR | ||
| 描述: | NFR50轴承是【STIEBER轴承 > Stieber-NFR】的型号 | ||
电话/微信:138-8949-5179
STIEBER NFR50轴承详细信息
NFR50轴承是【STIEBER轴承 > Stieber-NFR】的型号。
STIEBER NFR50轴承详细参数
| 轴承型号 | NFR50轴承 |
| 类型 | Stieber-NFR |
| 内径 | 50 |
| 外径 | 130 |
| 厚度 | 80 |
| 扭矩 | 2375 |
| 内圈转速 | 800 |
| 外圈转速 | 2150 |
| 轴承系列 | 16014 |
| 外圈内径 | 70 |
| 内圈外径 | 110 |
| 间隙 | 2.7 |
| 键槽宽 | 17 |
STIEBER NFR50轴承尺寸图纸

