轴承专区
Bearings Center
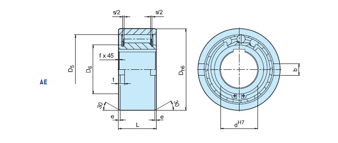
AE70轴承-STIEBER AE70轴承尺寸、图纸、价格
STIEBER AE70轴承
| 产品名称: | AE70轴承 | 品牌: | STIEBER |
|---|---|---|---|
| 类型: | STIEBER轴承 > Stieber-ASNU | ||
| 描述: | AE70轴承是【STIEBER轴承 > Stieber-ASNU】的型号 | ||
电话/微信:138-8949-5179
STIEBER AE70轴承详细信息
AE70轴承是【STIEBER轴承 > Stieber-ASNU】的型号。
STIEBER AE70轴承详细参数
| 轴承型号 | AE70轴承 |
| 类型 | Stieber-AE系列 |
| 内径 | 70 |
| 外径 | 170 |
| 厚度 | 95 |
| 扭矩 | 5813 |
| 内圈转速 | 650 |
| 外圈转速 | 900 |
| 外圈内径 | 140 |
| 内圈外径 | 100 |
| 键槽宽 | 20 |
| 键槽深 | 9 |
| 滚子位移 | 7.6 | <
STIEBER AE70轴承尺寸图纸

