李工:138-8949-5179 刘工:135-0428-8802
型号查询
轴承型号   常见搜索: 6015轴承 32313轴承 6016轴承 6020轴承 6030轴承 6009轴承
型号查询 X

轴承专区

Bearings Center

YET 209轴承-SKF YET 209轴承尺寸、图纸、价格

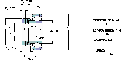
SKF YET 209轴承

产品名称:YET 209轴承 品牌:SKF
类型:SKF轴承 > 滚动轴承 > Y-轴承
描述:YET 209轴承是【SKF轴承 > 滚动轴承 > Y-轴承】的型号,主要用在铁路车辆、小型汽车前轮、木工机械、差速器、木工机械、耕耘机、冶炼厂、音像设备、平地机、正面吊等各大领域

 电话/微信:138-8949-5179

SKF YET 209轴承详细信息

YET 209轴承是【SKF轴承 > 滚动轴承 > Y-轴承】的型号,主要用在铁路车辆、小型汽车前轮、木工机械、差速器、木工机械、耕耘机、冶炼厂、音像设备、平地机、正面吊等各大领域。

SKF YET 209轴承详细参数

Y-轴承, 带偏心锁定环的, YET 2
主要数据尺寸基本负荷额定值疲劳负荷限值限制速度体积型号
动态静态
dDB1 (B)CCC0Pu用于轴公差h6
mmkNkNr/minkg-
458543,72233,221,60,91543000,65YET 209

SKF YET 209轴承尺寸图纸

李工:138-8949-5179

刘工:135-0428-8802

地址:辽宁省大连经济技术开发区现代城3栋-13-13号

在线客服系统