李工:138-8949-5179 刘工:135-0428-8802
型号查询
轴承型号   常见搜索: 71913轴承 6020轴承 6004轴承 32313轴承 6906轴承 688a轴承
型号查询 X

轴承专区

Bearings Center

YAR 207-104-2RF/HV轴承-SKF YAR 207-104-2RF/HV轴承尺寸、图纸、价格

SKF YAR 207-104-2RF/HV轴承

产品名称:YAR 207-104-2RF/HV轴承 品牌:SKF
类型:SKF轴承 > 滚动轴承 > Y-轴承
描述:YAR 207-104-2RF/HV轴承是【SKF轴承 > 滚动轴承 > Y-轴承】的型号,主要用在仪表、印刷机械、提升机、轧钢机辊颈、轧钢机齿轮箱座、制铁制钢机械、碾煤机、洗染、起重机械、钢包回转台等各大领域

 电话/微信:138-8949-5179

SKF YAR 207-104-2RF/HV轴承详细信息

YAR 207-104-2RF/HV轴承是【SKF轴承 > 滚动轴承 > Y-轴承】的型号,主要用在仪表、印刷机械、提升机、轧钢机辊颈、轧钢机齿轮箱座、制铁制钢机械、碾煤机、洗染、起重机械、钢包回转台等各大领域。

SKF YAR 207-104-2RF/HV轴承详细参数

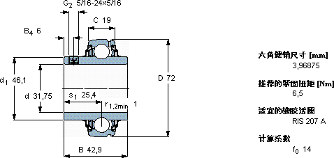
Y-轴承, 带平头螺钉锁定的, YAR 2-2RF/HV
主要数据尺寸基本负荷额定值疲劳负荷限值限制速度体积型号
动态静态
dDBCCC0Pu用于轴公差h6
mmkNkNr/minkg-
31,757242,91921,615,30,65532000,42YAR 207-104-2RF/HV

SKF YAR 207-104-2RF/HV轴承尺寸图纸

李工:138-8949-5179

刘工:135-0428-8802

地址:辽宁省大连经济技术开发区现代城3栋-13-13号

在线客服系统