李工:138-8949-5179 刘工:135-0428-8802
型号查询
轴承型号   常见搜索: 6015轴承 6008轴承 6032轴承 6007轴承 6016轴承 6006轴承
型号查询 X

轴承专区

Bearings Center

WEEX 003-2ZR轴承-SKF WEEX 003-2ZR轴承尺寸、图纸、价格

SKF WEEX 003-2ZR轴承

产品名称:WEEX 003-2ZR轴承 品牌:SKF
类型:SKF轴承 > 滚动轴承 > 深沟球轴承
描述:WEEX 003-2ZR轴承是【SKF轴承 > 滚动轴承 > 深沟球轴承】的型号,主要用在变速器、印刷机械、发电机、轧钢机辊颈、破碎机、石油钻机转环、立式电动机、化纤机械、凿岩机械、吹氧装置等各大领域

 电话/微信:138-8949-5179

SKF WEEX 003-2ZR轴承详细信息

WEEX 003-2ZR轴承是【SKF轴承 > 滚动轴承 > 深沟球轴承】的型号,主要用在变速器、印刷机械、发电机、轧钢机辊颈、破碎机、石油钻机转环、立式电动机、化纤机械、凿岩机械、吹氧装置等各大领域。

SKF WEEX 003-2ZR轴承详细参数

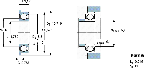
深沟球轴承, 单列,不锈钢,带法兰, 两面防尘罩
主要数据尺寸基本负荷额定值疲劳负荷限值额定速度体积型号
动态静态参照速度限制速度
dDD3BCCC0Pu
mmkNkNr/minkg-
4,7629,52510,7193,1750,7870,540,2450,011120000600000,00087WEEX 003-2ZR

SKF WEEX 003-2ZR轴承尺寸图纸

李工:138-8949-5179

刘工:135-0428-8802

地址:辽宁省大连经济技术开发区现代城3栋-13-13号

在线客服系统