轴承专区
Bearings Center
W 61700轴承-SKF W 61700轴承尺寸、图纸、价格
SKF W 61700轴承
| 产品名称: | W 61700轴承 | 品牌: | SKF |
|---|---|---|---|
| 类型: | SKF轴承 > 滚动轴承 > 深沟球轴承 | ||
| 描述: | W 61700轴承是【SKF轴承 > 滚动轴承 > 深沟球轴承】的型号,主要用在铁路车辆、机床主轴、纺织机械传动轴、汽车、振动筛、汽车转向销、冶炼厂、化纤机械、土方机械、机械手等各大领域 | ||
电话/微信:138-8949-5179
SKF W 61700轴承详细信息
W 61700轴承是【SKF轴承 > 滚动轴承 > 深沟球轴承】的型号,主要用在铁路车辆、机床主轴、纺织机械传动轴、汽车、振动筛、汽车转向销、冶炼厂、化纤机械、土方机械、机械手等各大领域。
SKF W 61700轴承详细参数
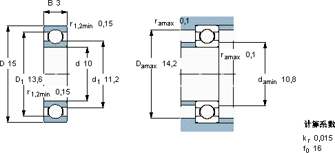
| 深沟球轴承, 单列,不锈钢, 无密封件 | ||||||||||
| 主要数据尺寸 | 基本负荷额定值 | 疲劳负荷限值 | 额定速度 | 体积 | 型号 | |||||
| 动态 | 静态 | 参照速度 | 限制速度 | |||||||
| d | D | B | C | C0 | Pu | |||||
| mm | kN | kN | r/min | kg | - | |||||
| 10 | 15 | 3 | 0,715 | 0,425 | 0,018 | 85000 | 56000 | 0,0014 | W 61700 | |
SKF W 61700轴承尺寸图纸

