轴承专区
Bearings Center
SYNT 100 LW轴承-SKF SYNT 100 LW轴承尺寸、图纸、价格
SKF SYNT 100 LW轴承
| 产品名称: | SYNT 100 LW轴承 | 品牌: | SKF |
|---|---|---|---|
| 类型: | SKF轴承 > 轴承单元 > 座式滚子轴承单元 | ||
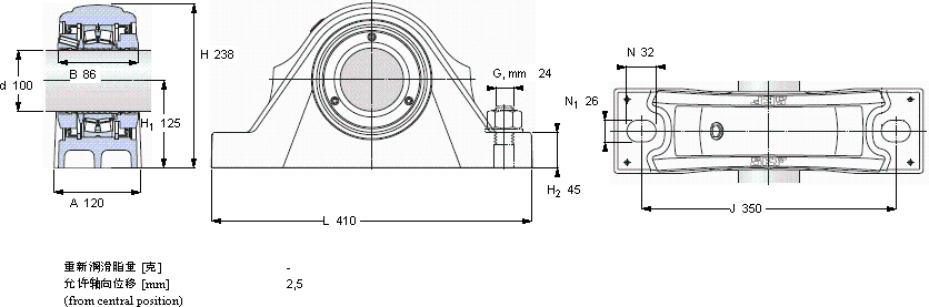
| 描述: | SYNT 100 LW轴承是【SKF轴承 > 轴承单元 > 座式滚子轴承单元】的型号,主要用在建筑机械、罗茨鼓风机、中型及大型电动机、建筑机械、减速装置、制铁制钢机械、成形机、化纤机械、起重机械、泥炮等各大领域 | ||
电话/微信:138-8949-5179
SKF SYNT 100 LW轴承详细信息
SYNT 100 LW轴承是【SKF轴承 > 轴承单元 > 座式滚子轴承单元】的型号,主要用在建筑机械、罗茨鼓风机、中型及大型电动机、建筑机械、减速装置、制铁制钢机械、成形机、化纤机械、起重机械、泥炮等各大领域。
SKF SYNT 100 LW轴承详细参数
| 滚子轴承立式轴承座单元, SKF ConCentra, non-locating units, relubrication-free (double-lip seals) | ||||||||||||
| 尺寸 | 尺寸 [英寸] | 疲劳负荷限值 | 限制速度 | 体积 | 型号 | 轴承,基本型号 | ||||||
| 动态 | 静态 | |||||||||||
| da | A | H | H1 | L | C | C0 | Pu | |||||
| mm | kN | kN | r/min | kg | - | - | ||||||
| 100 | 120 | 238 | 125 | 410 | 425 | 490 | 49 | 2000 | 30 | SYNT 100 LW | 22220 E | |
SKF SYNT 100 LW轴承尺寸图纸

