轴承专区
Bearings Center
SYJ 40 TF轴承-SKF SYJ 40 TF轴承尺寸、图纸、价格
SKF SYJ 40 TF轴承
| 产品名称: | SYJ 40 TF轴承 | 品牌: | SKF |
|---|---|---|---|
| 类型: | SKF轴承 > 轴承单元 > Y-轴承座单元 | ||
| 描述: | SYJ 40 TF轴承是【SKF轴承 > 轴承单元 > Y-轴承座单元】的型号,主要用在内燃机、小型汽车前轮、提升机、差速器、振动筛、耕耘机、挤压机、音像设备、地基处理机械、码垛机器人等各大领域 | ||
电话/微信:138-8949-5179
SKF SYJ 40 TF轴承详细信息
SYJ 40 TF轴承是【SKF轴承 > 轴承单元 > Y-轴承座单元】的型号,主要用在内燃机、小型汽车前轮、提升机、差速器、振动筛、耕耘机、挤压机、音像设备、地基处理机械、码垛机器人等各大领域。
SKF SYJ 40 TF轴承详细参数
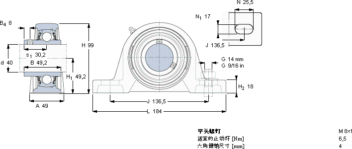
| Y-型立式轴承座单元, 铸造轴承座,平头螺钉锁紧定, 公制轴承 | ||||||||||||
| 尺寸 | 基本负荷额定值 | 限制速度 | 质量 | 型号 | ||||||||
| 动态 | 静态 | 轴承单元 | 轴承座 | 轴承 | ||||||||
| d | A | H | H1 | L | C | C0 | 带轴公差 h6 | |||||
| mm | kN | r/min | kg | - | ||||||||
| 40 | 49 | 99 | 49,2 | 184 | 30,7 | 19 | 4800 | 1,85 | SYJ 40 TF | SYJ 508 | YAR 208-2F | |
SKF SYJ 40 TF轴承尺寸图纸

