轴承专区
Bearings Center
SILKB 6 F轴承-SKF SILKB 6 F轴承尺寸、图纸、价格
SKF SILKB 6 F轴承
| 产品名称: | SILKB 6 F轴承 | 品牌: | SKF |
|---|---|---|---|
| 类型: | SKF轴承 > 球面滑动轴承和杆端关节轴承 > 免维护的杆端关节轴承 | ||
| 描述: | SILKB 6 F轴承是【SKF轴承 > 球面滑动轴承和杆端关节轴承 > 免维护的杆端关节轴承】的型号,主要用在后轮、空气压缩机、中型及大型电动机、大型农业机械、铁路车辆车轴、汽车转向销、水力发电机、塑料、土方机械、焊接机器人等各大领域 | ||
电话/微信:138-8949-5179
SKF SILKB 6 F轴承详细信息
SILKB 6 F轴承是【SKF轴承 > 球面滑动轴承和杆端关节轴承 > 免维护的杆端关节轴承】的型号,主要用在后轮、空气压缩机、中型及大型电动机、大型农业机械、铁路车辆车轴、汽车转向销、水力发电机、塑料、土方机械、焊接机器人等各大领域。
SKF SILKB 6 F轴承详细参数
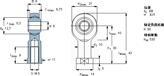
| 免维护杆端, 阴螺纹, 钢/PTFE复合材料 | |||||||||||
| 主要数据尺寸 | 角度倾的 | 基本负荷额定值 | 质量 | 型号 | |||||||
| 动态 | 静态 | 轴承座完全与密封件 | |||||||||
| d | d2 | B | d3 | C1 | h1 | ± | C | C0 | |||
| 6H | |||||||||||
| mm | 度数 | kN | kg | - | |||||||
| 6 | 21 | 9 | M 6 | 6,75 | 30 | 13 | 4,25 | 6,8 | 0,028 | SILKB 6 F | |
SKF SILKB 6 F轴承尺寸图纸

