李工:138-8949-5179 刘工:135-0428-8802
型号查询
轴承型号   常见搜索: 2026轴承 6214轴承 6021轴承 6006轴承 6017轴承 6015轴承
型号查询 X

轴承专区

Bearings Center

SILKAC 25 M轴承-SKF SILKAC 25 M轴承尺寸、图纸、价格

SKF SILKAC 25 M轴承

产品名称:SILKAC 25 M轴承 品牌:SKF
类型:SKF轴承 > 球面滑动轴承和杆端关节轴承 > 需维护的杆端关节轴承
描述:SILKAC 25 M轴承是【SKF轴承 > 球面滑动轴承和杆端关节轴承 > 需维护的杆端关节轴承】的型号,主要用在农业机械、机床主轴、挖土机履带轮、汽车、造纸机械、汽车转向销、钢铁厂、薄膜拉伸、土方机械、太阳能发电设备等各大领域

 电话/微信:138-8949-5179

SKF SILKAC 25 M轴承详细信息

SILKAC 25 M轴承是【SKF轴承 > 球面滑动轴承和杆端关节轴承 > 需维护的杆端关节轴承】的型号,主要用在农业机械、机床主轴、挖土机履带轮、汽车、造纸机械、汽车转向销、钢铁厂、薄膜拉伸、土方机械、太阳能发电设备等各大领域。

SKF SILKAC 25 M轴承详细参数

需要维护的杆端, 钢对青铜,阴螺纹
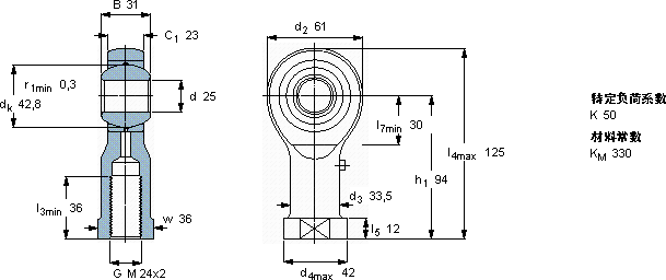
主要数据尺寸角度倾的基本负荷额定值质量型号
动态静态轴承座完全与
dd2Bd3C1h1±CC0
6H
mm度数kNkg-
256131M 24x223941547,5530,68SILKAC 25 M

SKF SILKAC 25 M轴承尺寸图纸

李工:138-8949-5179

刘工:135-0428-8802

地址:辽宁省大连经济技术开发区现代城3栋-13-13号

在线客服系统