轴承专区
Bearings Center
SILA 70 TXE-2LS轴承-SKF SILA 70 TXE-2LS轴承尺寸、图纸、价格
SKF SILA 70 TXE-2LS轴承
| 产品名称: | SILA 70 TXE-2LS轴承 | 品牌: | SKF |
|---|---|---|---|
| 类型: | SKF轴承 > 球面滑动轴承和杆端关节轴承 > 免维护的杆端关节轴承 | ||
| 描述: | SILA 70 TXE-2LS轴承是【SKF轴承 > 球面滑动轴承和杆端关节轴承 > 免维护的杆端关节轴承】的型号,主要用在通用电动机、罗茨鼓风机、挖土机履带轮、建筑机械、减速装置、制铁制钢机械、轧钢机轧制螺杆用减速机、洗染、起重机械、机场加油机等各大领域 | ||
电话/微信:138-8949-5179
SKF SILA 70 TXE-2LS轴承详细信息
SILA 70 TXE-2LS轴承是【SKF轴承 > 球面滑动轴承和杆端关节轴承 > 免维护的杆端关节轴承】的型号,主要用在通用电动机、罗茨鼓风机、挖土机履带轮、建筑机械、减速装置、制铁制钢机械、轧钢机轧制螺杆用减速机、洗染、起重机械、机场加油机等各大领域。
SKF SILA 70 TXE-2LS轴承详细参数
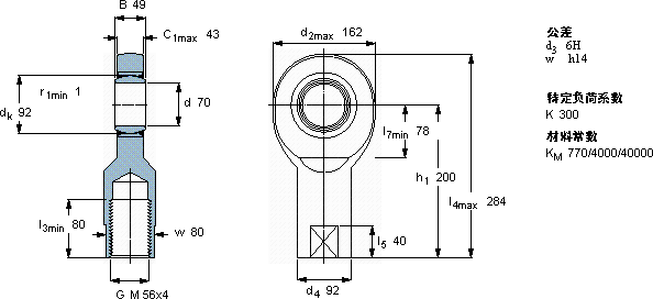
| 免维护杆端, 阴螺纹, 钢/PTFE织物 , 两面密封件 | |||||||||||
| 主要数据尺寸 | 角度倾的 | 基本负荷额定值 | 质量 | 型号 | |||||||
| 动态 | 静态 | 轴承座完全与密封件 | |||||||||
| d | d2 | B | d3 | C1 | h1 | ± | C | C0 | |||
| 6H | |||||||||||
| mm | 度数 | kN | kg | - | |||||||
| 70 | 162 | 49 | M 56x4 | 43 | 200 | 6 | 880 | 530 | 10,5 | SILA 70 TXE-2LS | |
SKF SILA 70 TXE-2LS轴承尺寸图纸

