轴承专区
Bearings Center
SIKB 10 F轴承-SKF SIKB 10 F轴承尺寸、图纸、价格
SKF SIKB 10 F轴承
| 产品名称: | SIKB 10 F轴承 | 品牌: | SKF |
|---|---|---|---|
| 类型: | SKF轴承 > 球面滑动轴承和杆端关节轴承 > 免维护的杆端关节轴承 | ||
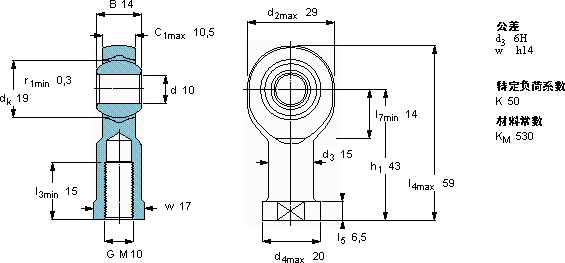
| 描述: | SIKB 10 F轴承是【SKF轴承 > 球面滑动轴承和杆端关节轴承 > 免维护的杆端关节轴承】的型号,主要用在建筑机械、离心分离机、挖土机履带轮、变速器、各类产业用减速机、石油钻机转环、成形机、纺织、凿岩机械、港口起重机等各大领域 | ||
电话/微信:138-8949-5179
SKF SIKB 10 F轴承详细信息
SIKB 10 F轴承是【SKF轴承 > 球面滑动轴承和杆端关节轴承 > 免维护的杆端关节轴承】的型号,主要用在建筑机械、离心分离机、挖土机履带轮、变速器、各类产业用减速机、石油钻机转环、成形机、纺织、凿岩机械、港口起重机等各大领域。
SKF SIKB 10 F轴承详细参数
| 免维护杆端, 阴螺纹, 钢/PTFE复合材料 | |||||||||||
| 主要数据尺寸 | 角度倾的 | 基本负荷额定值 | 质量 | 型号 | |||||||
| 动态 | 静态 | 轴承座完全与密封件 | |||||||||
| d | d2 | B | d3 | C1 | h1 | ± | C | C0 | |||
| 6H | |||||||||||
| mm | 度数 | kN | kg | - | |||||||
| 10 | 29 | 14 | M 10 | 10,5 | 43 | 13 | 9,8 | 14,3 | 0,079 | SIKB 10 F | |
SKF SIKB 10 F轴承尺寸图纸

