轴承专区
Bearings Center
SIKAC 6 M轴承-SKF SIKAC 6 M轴承尺寸、图纸、价格
SKF SIKAC 6 M轴承
| 产品名称: | SIKAC 6 M轴承 | 品牌: | SKF |
|---|---|---|---|
| 类型: | SKF轴承 > 球面滑动轴承和杆端关节轴承 > 需维护的杆端关节轴承 | ||
| 描述: | SIKAC 6 M轴承是【SKF轴承 > 球面滑动轴承和杆端关节轴承 > 需维护的杆端关节轴承】的型号,主要用在电气装置部件、燃汽轮机、木工机械、后轮、木工机械、石油钻机、船舶用螺旋桨轴、破碎、给料机械、风力发电设备等各大领域 | ||
电话/微信:138-8949-5179
SKF SIKAC 6 M轴承详细信息
SIKAC 6 M轴承是【SKF轴承 > 球面滑动轴承和杆端关节轴承 > 需维护的杆端关节轴承】的型号,主要用在电气装置部件、燃汽轮机、木工机械、后轮、木工机械、石油钻机、船舶用螺旋桨轴、破碎、给料机械、风力发电设备等各大领域。
SKF SIKAC 6 M轴承详细参数
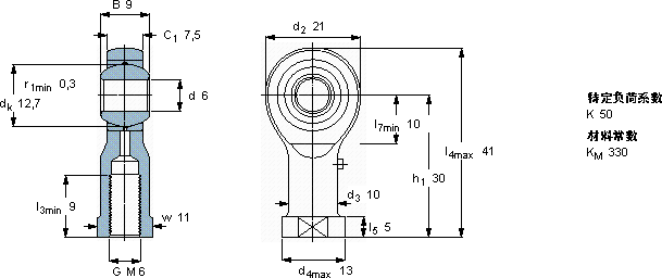
| 需要维护的杆端, 钢对青铜,阴螺纹 | |||||||||||
| 主要数据尺寸 | 角度倾的 | 基本负荷额定值 | 质量 | 型号 | |||||||
| 动态 | 静态 | 轴承座完全与 | |||||||||
| d | d2 | B | d3 | C1 | h1 | ± | C | C0 | |||
| 6H | |||||||||||
| mm | 度数 | kN | kg | - | |||||||
| 6 | 21 | 9 | M 6 | 7,5 | 30 | 13 | 4,3 | 5,4 | 0,028 | SIKAC 6 M | |
SKF SIKAC 6 M轴承尺寸图纸

