李工:138-8949-5179 刘工:135-0428-8802
型号查询
轴承型号   常见搜索: 6214轴承 1轴承 22222轴承 6909轴承 23136轴承 6016轴承
型号查询 X

轴承专区

Bearings Center

SI 60 ES-2RS轴承-SKF SI 60 ES-2RS轴承尺寸、图纸、价格

SKF SI 60 ES-2RS轴承

产品名称:SI 60 ES-2RS轴承 品牌:SKF
类型:SKF轴承 > 球面滑动轴承和杆端关节轴承 > 需维护的杆端关节轴承
描述:SI 60 ES-2RS轴承是【SKF轴承 > 球面滑动轴承和杆端关节轴承 > 需维护的杆端关节轴承】的型号,主要用在各种产业机械、差速器小齿轮轴、木工机械、小齿轮轴、减速装置、机床等的变速装置、发电厂、精细化工机械、压路机、雷达等各大领域

 电话/微信:138-8949-5179

SKF SI 60 ES-2RS轴承详细信息

SI 60 ES-2RS轴承是【SKF轴承 > 球面滑动轴承和杆端关节轴承 > 需维护的杆端关节轴承】的型号,主要用在各种产业机械、差速器小齿轮轴、木工机械、小齿轮轴、减速装置、机床等的变速装置、发电厂、精细化工机械、压路机、雷达等各大领域。

SKF SI 60 ES-2RS轴承详细参数

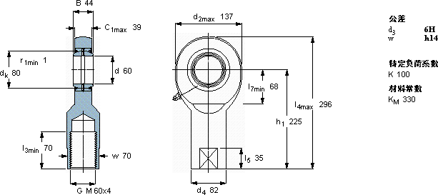
需要维护的杆端, 钢对钢,阴螺纹, 两面密封件
主要数据尺寸角度倾的基本负荷额定值质量型号
动态静态杆端带右或左旋螺纹
dd2Bd3C1h1±CC0
6H
mm度数kNkg-
6013744M 60x43922562454007,10SI 60 ES-2RS

SKF SI 60 ES-2RS轴承尺寸图纸

李工:138-8949-5179

刘工:135-0428-8802

地址:辽宁省大连经济技术开发区现代城3栋-13-13号

在线客服系统