轴承专区
Bearings Center
SALKAC 10 M轴承-SKF SALKAC 10 M轴承尺寸、图纸、价格
SKF SALKAC 10 M轴承
| 产品名称: | SALKAC 10 M轴承 | 品牌: | SKF |
|---|---|---|---|
| 类型: | SKF轴承 > 球面滑动轴承和杆端关节轴承 > 需维护的杆端关节轴承 | ||
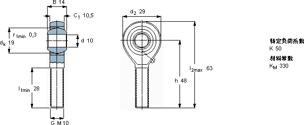
| 描述: | SALKAC 10 M轴承是【SKF轴承 > 球面滑动轴承和杆端关节轴承 > 需维护的杆端关节轴承】的型号,主要用在建筑机械、印刷机械、变速器、轧钢机辊颈、减速装置、制铁制钢机械、成形机、医药设备、起重机械、焊接机器人等各大领域 | ||
电话/微信:138-8949-5179
SKF SALKAC 10 M轴承详细信息
SALKAC 10 M轴承是【SKF轴承 > 球面滑动轴承和杆端关节轴承 > 需维护的杆端关节轴承】的型号,主要用在建筑机械、印刷机械、变速器、轧钢机辊颈、减速装置、制铁制钢机械、成形机、医药设备、起重机械、焊接机器人等各大领域。
SKF SALKAC 10 M轴承详细参数
| 需要维护的杆端, 钢对青铜,阳螺纹 | |||||||||||
| 主要数据尺寸 | 角度倾的 | 基本负荷额定值 | 质量 | 型号 | |||||||
| 动态 | 静态 | 轴承座完全与 | |||||||||
| d | d2 | B | d3 | C1 | h | ± | C | C0 | |||
| 6g | |||||||||||
| mm | 度数 | kN | kg | - | |||||||
| 10 | 29 | 14 | M 10 | 10,5 | 48 | 13 | 10 | 10,8 | 0,059 | SALKAC 10 M | |
SKF SALKAC 10 M轴承尺寸图纸

