轴承专区
Bearings Center
SAL 45 ES-2RS轴承-SKF SAL 45 ES-2RS轴承尺寸、图纸、价格
SKF SAL 45 ES-2RS轴承
| 产品名称: | SAL 45 ES-2RS轴承 | 品牌: | SKF |
|---|---|---|---|
| 类型: | SKF轴承 > 球面滑动轴承和杆端关节轴承 > 需维护的杆端关节轴承 | ||
| 描述: | SAL 45 ES-2RS轴承是【SKF轴承 > 球面滑动轴承和杆端关节轴承 > 需维护的杆端关节轴承】的型号,主要用在燃汽轮机、差速器小齿轮轴、变速器、小齿轮轴、轧钢机齿轮箱座、机床等的变速装置、电机厂、玩具、工程船舶、数控设备等各大领域 | ||
电话/微信:138-8949-5179
SKF SAL 45 ES-2RS轴承详细信息
SAL 45 ES-2RS轴承是【SKF轴承 > 球面滑动轴承和杆端关节轴承 > 需维护的杆端关节轴承】的型号,主要用在燃汽轮机、差速器小齿轮轴、变速器、小齿轮轴、轧钢机齿轮箱座、机床等的变速装置、电机厂、玩具、工程船舶、数控设备等各大领域。
SKF SAL 45 ES-2RS轴承详细参数
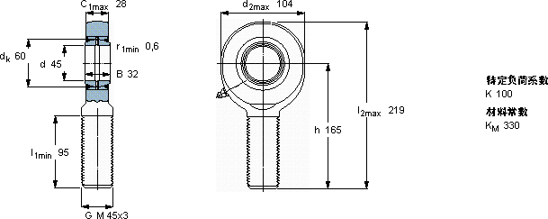
| 需要维护的杆端, 钢对钢,阳螺纹, 两面密封件 | |||||||||||
| 主要数据尺寸 | 角度倾的 | 基本负荷额定值 | 质量 | 型号 | |||||||
| 动态 | 静态 | 杆端带右或左旋螺纹 | |||||||||
| d | d2 | B | d3 | C1 | h | ± | C | C0 | |||
| 6g | |||||||||||
| mm | 度数 | kN | kg | - | |||||||
| 45 | 104 | 32 | M 45x3 | 28 | 165 | 7 | 127 | 200 | 2,55 | SAL 45 ES-2RS | |
SKF SAL 45 ES-2RS轴承尺寸图纸

