轴承专区
Bearings Center
SAL 12 C轴承-SKF SAL 12 C轴承尺寸、图纸、价格
SKF SAL 12 C轴承
| 产品名称: | SAL 12 C轴承 | 品牌: | SKF |
|---|---|---|---|
| 类型: | SKF轴承 > 球面滑动轴承和杆端关节轴承 > 免维护的杆端关节轴承 | ||
| 描述: | SAL 12 C轴承是【SKF轴承 > 球面滑动轴承和杆端关节轴承 > 免维护的杆端关节轴承】的型号,主要用在各种产业机械、差速器小齿轮轴、减速装置、小齿轮轴、轧钢机齿轮箱座、机床主轴、发电厂、医药设备、挖掘机、雷达等各大领域 | ||
电话/微信:138-8949-5179
SKF SAL 12 C轴承详细信息
SAL 12 C轴承是【SKF轴承 > 球面滑动轴承和杆端关节轴承 > 免维护的杆端关节轴承】的型号,主要用在各种产业机械、差速器小齿轮轴、减速装置、小齿轮轴、轧钢机齿轮箱座、机床主轴、发电厂、医药设备、挖掘机、雷达等各大领域。
SKF SAL 12 C轴承详细参数
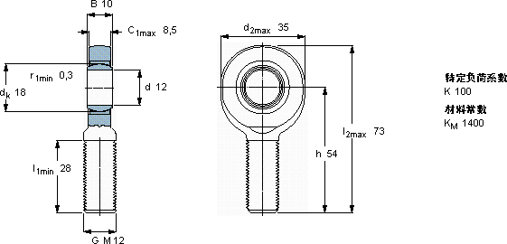
| 免维护杆端, 阳螺纹, 钢/烧结铜复合材料 | |||||||||||
| 主要数据尺寸 | 角度倾的 | 基本负荷额定值 | 质量 | 型号 | |||||||
| 动态 | 静态 | 轴承座完全与密封件 | |||||||||
| d | d2 | B | d3 | C1 | h | ± | C | C0 | |||
| 6g | |||||||||||
| mm | 度数 | kN | kg | - | |||||||
| 12 | 35 | 10 | M 12 | 8,5 | 54 | 10 | 11,4 | 24,5 | 0,071 | SAL 12 C | |
SKF SAL 12 C轴承尺寸图纸

