轴承专区
Bearings Center
SAKB 16 F轴承-SKF SAKB 16 F轴承尺寸、图纸、价格
SKF SAKB 16 F轴承
| 产品名称: | SAKB 16 F轴承 | 品牌: | SKF |
|---|---|---|---|
| 类型: | SKF轴承 > 球面滑动轴承和杆端关节轴承 > 免维护的杆端关节轴承 | ||
| 描述: | SAKB 16 F轴承是【SKF轴承 > 球面滑动轴承和杆端关节轴承 > 免维护的杆端关节轴承】的型号,主要用在电气装置部件、燃料喷射泵、提升机、齿轮减速装置、木工机械、起重机吊钩、船舶用螺旋桨轴、化纤机械、强夯机、伽玛等各大领域 | ||
电话/微信:138-8949-5179
SKF SAKB 16 F轴承详细信息
SAKB 16 F轴承是【SKF轴承 > 球面滑动轴承和杆端关节轴承 > 免维护的杆端关节轴承】的型号,主要用在电气装置部件、燃料喷射泵、提升机、齿轮减速装置、木工机械、起重机吊钩、船舶用螺旋桨轴、化纤机械、强夯机、伽玛等各大领域。
SKF SAKB 16 F轴承详细参数
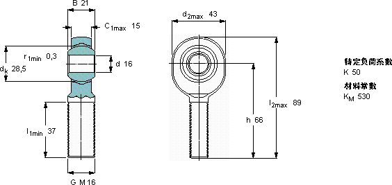
| 免维护杆端, 阳螺纹, 钢/PTFE复合材料 | |||||||||||
| 主要数据尺寸 | 角度倾的 | 基本负荷额定值 | 质量 | 型号 | |||||||
| 动态 | 静态 | 轴承座完全与密封件 | |||||||||
| d | d2 | B | d3 | C1 | h | ± | C | C0 | |||
| 6g | |||||||||||
| mm | 度数 | kN | kg | - | |||||||
| 16 | 43 | 21 | M 16 | 15 | 66 | 15 | 21,4 | 34,5 | 0,21 | SAKB 16 F | |
SKF SAKB 16 F轴承尺寸图纸

