轴承专区
Bearings Center
SAKAC 14 M轴承-SKF SAKAC 14 M轴承尺寸、图纸、价格
SKF SAKAC 14 M轴承
| 产品名称: | SAKAC 14 M轴承 | 品牌: | SKF |
|---|---|---|---|
| 类型: | SKF轴承 > 球面滑动轴承和杆端关节轴承 > 需维护的杆端关节轴承 | ||
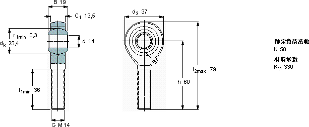
| 描述: | SAKAC 14 M轴承是【SKF轴承 > 球面滑动轴承和杆端关节轴承 > 需维护的杆端关节轴承】的型号,主要用在农业机械、燃汽轮机、提升机、后轮、轧钢机辊道子、起重机吊钩、钢铁厂、精细化工机械、专用车、刮泥机等各大领域 | ||
电话/微信:138-8949-5179
SKF SAKAC 14 M轴承详细信息
SAKAC 14 M轴承是【SKF轴承 > 球面滑动轴承和杆端关节轴承 > 需维护的杆端关节轴承】的型号,主要用在农业机械、燃汽轮机、提升机、后轮、轧钢机辊道子、起重机吊钩、钢铁厂、精细化工机械、专用车、刮泥机等各大领域。
SKF SAKAC 14 M轴承详细参数
| 需要维护的杆端, 钢对青铜,阳螺纹 | |||||||||||
| 主要数据尺寸 | 角度倾的 | 基本负荷额定值 | 质量 | 型号 | |||||||
| 动态 | 静态 | 轴承座完全与 | |||||||||
| d | d2 | B | d3 | C1 | h | ± | C | C0 | |||
| 6g | |||||||||||
| mm | 度数 | kN | kg | - | |||||||
| 14 | 37 | 19 | M 14 | 13,5 | 60 | 15 | 17 | 17,3 | 0,14 | SAKAC 14 M | |
SKF SAKAC 14 M轴承尺寸图纸

