李工:138-8949-5179 刘工:135-0428-8802
型号查询
轴承型号   常见搜索: 6022轴承 6024轴承 nu轴承 71913轴承 6026轴承 6014轴承
型号查询 X

轴承专区

Bearings Center

RSTO 40轴承-SKF RSTO 40轴承尺寸、图纸、价格

SKF RSTO 40轴承

产品名称:RSTO 40轴承 品牌:SKF
类型:SKF轴承 > 滚动轴承 > 滚轮轴承
描述:RSTO 40轴承是【SKF轴承 > 滚动轴承 > 滚轮轴承】的型号,主要用在建筑机械、差速器小齿轮轴、发电机、小齿轮轴、各类产业用减速机、机床等的变速装置、成形机、化纤机械、压路机、焊接机器人等各大领域

 电话/微信:138-8949-5179

SKF RSTO 40轴承详细信息

RSTO 40轴承是【SKF轴承 > 滚动轴承 > 滚轮轴承】的型号,主要用在建筑机械、差速器小齿轮轴、发电机、小齿轮轴、各类产业用减速机、机床等的变速装置、成形机、化纤机械、压路机、焊接机器人等各大领域。

SKF RSTO 40轴承详细参数

不带法兰圈支承滚子,无内圈
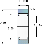
尺寸基本负荷额定值疲劳限值最大径向负荷限制速度体积型号
动态静态动态静态
DFwCCC0PuFrF0r
mmkNkNkNr/minkg-
805019,823,8394,7534,54919000,42RSTO 40

SKF RSTO 40轴承尺寸图纸

李工:138-8949-5179

刘工:135-0428-8802

地址:辽宁省大连经济技术开发区现代城3栋-13-13号

在线客服系统