李工:138-8949-5179 刘工:135-0428-8802
型号查询
轴承型号   常见搜索: 6214轴承 6309轴承 6015轴承 6032轴承 32313轴承 6020轴承
型号查询 X

轴承专区

Bearings Center

RSTO 30轴承-SKF RSTO 30轴承尺寸、图纸、价格

SKF RSTO 30轴承

产品名称:RSTO 30轴承 品牌:SKF
类型:SKF轴承 > 滚动轴承 > 滚轮轴承
描述:RSTO 30轴承是【SKF轴承 > 滚动轴承 > 滚轮轴承】的型号,主要用在通用电动机、高频马达、压缩机、前轮、破碎机、机床主轴、轧钢机轧制螺杆用减速机、破碎、挖掘机、机场加油机等各大领域

 电话/微信:138-8949-5179

SKF RSTO 30轴承详细信息

RSTO 30轴承是【SKF轴承 > 滚动轴承 > 滚轮轴承】的型号,主要用在通用电动机、高频马达、压缩机、前轮、破碎机、机床主轴、轧钢机轧制螺杆用减速机、破碎、挖掘机、机场加油机等各大领域。

SKF RSTO 30轴承详细参数

不带法兰圈支承滚子,无内圈
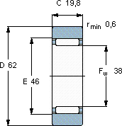
尺寸基本负荷额定值疲劳限值最大径向负荷限制速度体积型号
动态静态动态静态
DFwCCC0PuFrF0r
mmkNkNkNr/minkg-
623819,822,934,54,2523,633,526000,26RSTO 30

SKF RSTO 30轴承尺寸图纸

李工:138-8949-5179

刘工:135-0428-8802

地址:辽宁省大连经济技术开发区现代城3栋-13-13号

在线客服系统