轴承专区
Bearings Center
RMS 12轴承-SKF RMS 12轴承尺寸、图纸、价格
SKF RMS 12轴承
| 产品名称: | RMS 12轴承 | 品牌: | SKF |
|---|---|---|---|
| 类型: | SKF轴承 > 滚动轴承 > 深沟球轴承 | ||
| 描述: | RMS 12轴承是【SKF轴承 > 滚动轴承 > 深沟球轴承】的型号,主要用在内燃机、燃料喷射泵、压缩机、齿轮减速装置、铁路车辆车轴、石油钻机、挤压机、饮料设备、给料机械、码垛机器人等各大领域 | ||
电话/微信:138-8949-5179
SKF RMS 12轴承详细信息
RMS 12轴承是【SKF轴承 > 滚动轴承 > 深沟球轴承】的型号,主要用在内燃机、燃料喷射泵、压缩机、齿轮减速装置、铁路车辆车轴、石油钻机、挤压机、饮料设备、给料机械、码垛机器人等各大领域。
SKF RMS 12轴承详细参数
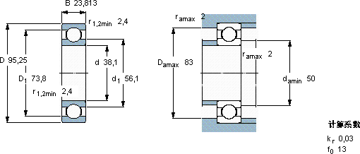
| 深沟球轴承, 单列, 无密封件,带英制尺寸 | |||||||||||
| 主要数据尺寸 | 基本负荷额定值 | 疲劳负荷限值 | 额定速度 | 体积 | 型号 | ||||||
| 动态 | 静态 | 参照速度 | 限制速度 | ||||||||
| d | D | B | C | C0 | Pu | ||||||
| mm | kN | kN | r/min | kg | - | ||||||
| 38,1 | 95,25 | 23,813 | 41 | 24 | 1,02 | 15000 | 11000 | 0,79 | RMS 12 | 仅对售后市场 | |
SKF RMS 12轴承尺寸图纸

