轴承专区
Bearings Center
RMS 11轴承-SKF RMS 11轴承尺寸、图纸、价格
SKF RMS 11轴承
| 产品名称: | RMS 11轴承 | 品牌: | SKF |
|---|---|---|---|
| 类型: | SKF轴承 > 滚动轴承 > 深沟球轴承 | ||
| 描述: | RMS 11轴承是【SKF轴承 > 滚动轴承 > 深沟球轴承】的型号,主要用在通用电动机、离心分离机、变速器、变速器、减速装置、制铁制钢机械、轧钢机轧制螺杆用减速机、陶瓷机械、起重机械、太阳能发电设备等各大领域 | ||
电话/微信:138-8949-5179
SKF RMS 11轴承详细信息
RMS 11轴承是【SKF轴承 > 滚动轴承 > 深沟球轴承】的型号,主要用在通用电动机、离心分离机、变速器、变速器、减速装置、制铁制钢机械、轧钢机轧制螺杆用减速机、陶瓷机械、起重机械、太阳能发电设备等各大领域。
SKF RMS 11轴承详细参数
| 深沟球轴承, 单列, 无密封件,带英制尺寸 | |||||||||||
| 主要数据尺寸 | 基本负荷额定值 | 疲劳负荷限值 | 额定速度 | 体积 | 型号 | ||||||
| 动态 | 静态 | 参照速度 | 限制速度 | ||||||||
| d | D | B | C | C0 | Pu | ||||||
| mm | kN | kN | r/min | kg | - | ||||||
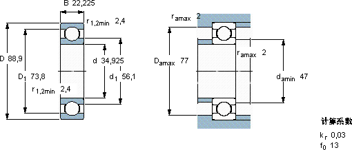
| 34,925 | 88,9 | 22,225 | 41 | 24 | 1,02 | 15000 | 11000 | 0,63 | RMS 11 | 仅对售后市场 | |
SKF RMS 11轴承尺寸图纸

