轴承专区
Bearings Center
RLS 8-2Z轴承-SKF RLS 8-2Z轴承尺寸、图纸、价格
SKF RLS 8-2Z轴承
| 产品名称: | RLS 8-2Z轴承 | 品牌: | SKF |
|---|---|---|---|
| 类型: | SKF轴承 > 滚动轴承 > 深沟球轴承 | ||
| 描述: | RLS 8-2Z轴承是【SKF轴承 > 滚动轴承 > 深沟球轴承】的型号,主要用在飞机喷气式发动机、小型汽车前轮、压缩机、差速器、轧钢机辊道子、耕耘机、燃机、薄膜拉伸、地基处理机械、厨具设备等各大领域 | ||
电话/微信:138-8949-5179
SKF RLS 8-2Z轴承详细信息
RLS 8-2Z轴承是【SKF轴承 > 滚动轴承 > 深沟球轴承】的型号,主要用在飞机喷气式发动机、小型汽车前轮、压缩机、差速器、轧钢机辊道子、耕耘机、燃机、薄膜拉伸、地基处理机械、厨具设备等各大领域。
SKF RLS 8-2Z轴承详细参数
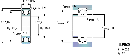
| 深沟球轴承, 单列, 两面防尘罩, 英制轴承 | |||||||||||
| 主要数据尺寸 | 基本负荷额定值 | 疲劳负荷限值 | 额定速度 | 体积 | 型号 | ||||||
| 动态 | 静态 | 参照速度 | 限制速度 | ||||||||
| d | D | B | C | C0 | Pu | ||||||
| mm | kN | kN | r/min | kg | - | ||||||
| 25,4 | 57,15 | 15,875 | 17,8 | 9,65 | 0,405 | 24000 | 12000 | 0,17 | RLS 8-2Z | 仅对售后市场 | |
SKF RLS 8-2Z轴承尺寸图纸

