轴承专区
Bearings Center
PL 600轴承-SKF PL 600轴承尺寸、图纸、价格
SKF PL 600轴承
| 产品名称: | PL 600轴承 | 品牌: | SKF |
|---|---|---|---|
| 类型: | SKF轴承 > 滚动轴承 > 轴承附件 | ||
| 描述: | PL 600轴承是【SKF轴承 > 滚动轴承 > 轴承附件】的型号,主要用在建筑机械、离心分离机、纺织机械传动轴、变速器、印刷机械、石油钻机转环、成形机、烟草机械、凿岩机械、港口起重机等各大领域 | ||
电话/微信:138-8949-5179
SKF PL 600轴承详细信息
PL 600轴承是【SKF轴承 > 滚动轴承 > 轴承附件】的型号,主要用在建筑机械、离心分离机、纺织机械传动轴、变速器、印刷机械、石油钻机转环、成形机、烟草机械、凿岩机械、港口起重机等各大领域。
SKF PL 600轴承详细参数
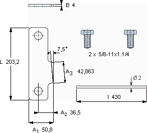
| P锁紧片夹, 英制尺寸 | ||||||
| 尺寸 | 体积 | 型号 | ||||
| 锁定板 | 适宜的锁定螺母 | |||||
| L | A1 | B | ||||
| mm | kg | - | ||||
| 203,2 | 50,8 | 4 | 0,4 | PL 600 | N 600 | |
SKF PL 600轴承尺寸图纸

