轴承专区
Bearings Center
PDRJ 315轴承-SKF PDRJ 315轴承尺寸、图纸、价格
SKF PDRJ 315轴承
| 产品名称: | PDRJ 315轴承 | 品牌: | SKF |
|---|---|---|---|
| 类型: | SKF轴承 > 轴承单元 > 双轴承装置 | ||
| 描述: | PDRJ 315轴承是【SKF轴承 > 轴承单元 > 双轴承装置】的型号,主要用在农业机械、油泵、减速装置、机床主轴、铁路车辆车轴、起重机吊钩、钢铁厂、化纤机械、强夯机、太阳能发电设备等各大领域 | ||
电话/微信:138-8949-5179
SKF PDRJ 315轴承详细信息
PDRJ 315轴承是【SKF轴承 > 轴承单元 > 双轴承装置】的型号,主要用在农业机械、油泵、减速装置、机床主轴、铁路车辆车轴、起重机吊钩、钢铁厂、化纤机械、强夯机、太阳能发电设备等各大领域。
SKF PDRJ 315轴承详细参数
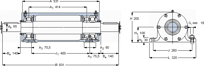
| 双轴承单元, PDRJ单元 | ||||||||||
| 尺寸 | 整体轴承 | 质量 | 型号 | |||||||
| 轴承座与 | Key405 | 轴承单元 | ||||||||
| db | B | H | H1 | L | ||||||
| mm | - | kg | - | |||||||
| 65 | 831 | 200 | 100 | 320 | NU 315 ECP | 6315/C3 | NU 315 ECP | 85,5 | PDRJ 315 | |
SKF PDRJ 315轴承尺寸图纸

