李工:138-8949-5179 刘工:135-0428-8802
型号查询
轴承型号   常见搜索: 6016轴承 2026轴承 6022轴承 6008轴承 6019轴承 32313轴承
型号查询 X

轴承专区

Bearings Center

OH 3148 HTL轴承-SKF OH 3148 HTL轴承尺寸、图纸、价格

SKF OH 3148 HTL轴承

产品名称:OH 3148 HTL轴承 品牌:SKF
类型:SKF轴承 > 滚动轴承 > 轴承附件
描述:OH 3148 HTL轴承是【SKF轴承 > 滚动轴承 > 轴承附件】的型号,主要用在飞机喷气式发动机、空气压缩机、变速器、大型农业机械、铁路车辆车轴、汽车转向销、燃机、医药设备、土方机械、钢包回转台等各大领域

 电话/微信:138-8949-5179

SKF OH 3148 HTL轴承详细信息

OH 3148 HTL轴承是【SKF轴承 > 滚动轴承 > 轴承附件】的型号,主要用在飞机喷气式发动机、空气压缩机、变速器、大型农业机械、铁路车辆车轴、汽车转向销、燃机、医药设备、土方机械、钢包回转台等各大领域。

SKF OH 3148 HTL轴承详细参数

紧定套
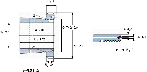
尺寸体积型号
紧定轴套带螺母锁定螺母锁定装置适宜的液压
d1dd3B1G和锁紧装置螺母
mmkg-
220240290172Tr 240x415,1OH 3148 HTLHM 3048MS 3052-48HMV 48 E

SKF OH 3148 HTL轴承尺寸图纸

李工:138-8949-5179

刘工:135-0428-8802

地址:辽宁省大连经济技术开发区现代城3栋-13-13号

在线客服系统