李工:138-8949-5179 刘工:135-0428-8802
型号查询
轴承型号   常见搜索: 71913轴承 6007轴承 6030轴承 3214轴承 2026轴承 6214轴承
型号查询 X

轴承专区

Bearings Center

OH 2356 H轴承-SKF OH 2356 H轴承尺寸、图纸、价格

SKF OH 2356 H轴承

产品名称:OH 2356 H轴承 品牌:SKF
类型:SKF轴承 > 滚动轴承 > 轴承附件
描述:OH 2356 H轴承是【SKF轴承 > 滚动轴承 > 轴承附件】的型号,主要用在农业机械、空气压缩机、汽车发动机、大型农业机械、轧钢机辊道子、耕耘机、钢铁厂、洗染、地基处理机械、刮泥机等各大领域

 电话/微信:138-8949-5179

SKF OH 2356 H轴承详细信息

OH 2356 H轴承是【SKF轴承 > 滚动轴承 > 轴承附件】的型号,主要用在农业机械、空气压缩机、汽车发动机、大型农业机械、轧钢机辊道子、耕耘机、钢铁厂、洗染、地基处理机械、刮泥机等各大领域。

SKF OH 2356 H轴承详细参数

紧定套
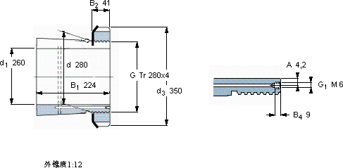
尺寸体积型号
紧定轴套带螺母锁定螺母锁定装置适宜的液压
d1dd3B1G和锁紧装置螺母
mmkg-
260280350224Tr 280x427,0OH 2356 HHM 56 TMB 56HMV 56 E

SKF OH 2356 H轴承尺寸图纸

李工:138-8949-5179

刘工:135-0428-8802

地址:辽宁省大连经济技术开发区现代城3栋-13-13号

在线客服系统