李工:138-8949-5179 刘工:135-0428-8802
型号查询
轴承型号   常见搜索: 6003轴承 6006轴承 6214轴承 6032轴承 6028轴承 23136轴承
型号查询 X

轴承专区

Bearings Center

NUP 314 ECNP *轴承-SKF NUP 314 ECNP *轴承尺寸、图纸、价格

SKF NUP 314 ECNP *轴承

产品名称:NUP 314 ECNP *轴承 品牌:SKF
类型:SKF轴承 > 滚动轴承 > 圆柱滚子轴承
描述:NUP 314 ECNP *轴承是【SKF轴承 > 滚动轴承 > 圆柱滚子轴承】的型号,主要用在家用电器、小型汽车前轮、压缩机、差速器、造纸机械、汽车转向销、塔吊、烟草机械、土方机械、冶金起重机等各大领域

 电话/微信:138-8949-5179

SKF NUP 314 ECNP *轴承详细信息

NUP 314 ECNP *轴承是【SKF轴承 > 滚动轴承 > 圆柱滚子轴承】的型号,主要用在家用电器、小型汽车前轮、压缩机、差速器、造纸机械、汽车转向销、塔吊、烟草机械、土方机械、冶金起重机等各大领域。

SKF NUP 314 ECNP *轴承详细参数

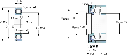
圆柱滚子轴承, 单列, NUP 设计, 于外圈的带止动槽
主要数据尺寸基本负荷额定值疲劳负荷限值额定速度体积型号适宜的斜挡圈
动态静态参照速度限制速度型号
dDBCC0Pu * - SKF Explorer 轴承
mmkNkNr/minkg--
701503523622829480056002,85NUP 314 ECNP *-

SKF NUP 314 ECNP *轴承尺寸图纸

李工:138-8949-5179

刘工:135-0428-8802

地址:辽宁省大连经济技术开发区现代城3栋-13-13号

在线客服系统