李工:138-8949-5179 刘工:135-0428-8802
型号查询
轴承型号   常见搜索: 23136轴承 6906轴承 6006轴承 6019轴承 2026轴承 6002轴承
型号查询 X

轴承专区

Bearings Center

NUP 313 ECP *轴承-SKF NUP 313 ECP *轴承尺寸、图纸、价格

SKF NUP 313 ECP *轴承

产品名称:NUP 313 ECP *轴承 品牌:SKF
类型:SKF轴承 > 滚动轴承 > 圆柱滚子轴承
描述:NUP 313 ECP *轴承是【SKF轴承 > 滚动轴承 > 圆柱滚子轴承】的型号,主要用在各种产业机械、离心分离机、中型及大型电动机、变速器、减速装置、石油钻机转环、发电厂、饮料设备、轻工机械、塔式车库等各大领域

 电话/微信:138-8949-5179

SKF NUP 313 ECP *轴承详细信息

NUP 313 ECP *轴承是【SKF轴承 > 滚动轴承 > 圆柱滚子轴承】的型号,主要用在各种产业机械、离心分离机、中型及大型电动机、变速器、减速装置、石油钻机转环、发电厂、饮料设备、轻工机械、塔式车库等各大领域。

SKF NUP 313 ECP *轴承详细参数

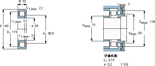
圆柱滚子轴承, 单列, NUP 设计
主要数据尺寸基本负荷额定值疲劳负荷限值额定速度体积型号适宜的斜挡圈
动态静态参照速度限制速度型号
dDBCC0Pu * - SKF Explorer 轴承
mmkNkNr/minkg--
651403321219625,5530060002,35NUP 313 ECP *-

SKF NUP 313 ECP *轴承尺寸图纸

李工:138-8949-5179

刘工:135-0428-8802

地址:辽宁省大连经济技术开发区现代城3栋-13-13号

在线客服系统