轴承专区
Bearings Center
NUP 215 ECJ *轴承-SKF NUP 215 ECJ *轴承尺寸、图纸、价格
SKF NUP 215 ECJ *轴承
| 产品名称: | NUP 215 ECJ *轴承 | 品牌: | SKF |
|---|---|---|---|
| 类型: | SKF轴承 > 滚动轴承 > 圆柱滚子轴承 | ||
| 描述: | NUP 215 ECJ *轴承是【SKF轴承 > 滚动轴承 > 圆柱滚子轴承】的型号,主要用在飞机喷气式发动机、燃汽轮机、泵、后轮、铁路车辆车轴、起重机吊钩、燃机、陶瓷机械、强夯机、钢包回转台等各大领域 | ||
电话/微信:138-8949-5179
SKF NUP 215 ECJ *轴承详细信息
NUP 215 ECJ *轴承是【SKF轴承 > 滚动轴承 > 圆柱滚子轴承】的型号,主要用在飞机喷气式发动机、燃汽轮机、泵、后轮、铁路车辆车轴、起重机吊钩、燃机、陶瓷机械、强夯机、钢包回转台等各大领域。
SKF NUP 215 ECJ *轴承详细参数
| 圆柱滚子轴承, 单列, NUP 设计 | ||||||||||||
| 主要数据尺寸 | 基本负荷额定值 | 疲劳负荷限值 | 额定速度 | 体积 | 型号 | 适宜的斜挡圈 | ||||||
| 动态 | 静态 | 参照速度 | 限制速度 | 型号 | ||||||||
| d | D | B | C | C0 | Pu | * - SKF Explorer 轴承 | ||||||
| mm | kN | kN | r/min | kg | - | - | ||||||
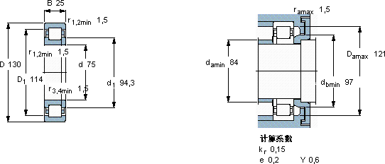
| 75 | 130 | 25 | 150 | 156 | 20,4 | 5600 | 6000 | 1,30 | NUP 215 ECJ * | - | ||
SKF NUP 215 ECJ *轴承尺寸图纸

