李工:138-8949-5179 刘工:135-0428-8802
型号查询
轴承型号   常见搜索: 6020轴承 22222轴承 6900轴承 6010轴承 6030轴承 6018轴承
型号查询 X

轴承专区

Bearings Center

NUP 19/600 ECMA/HA1轴承-SKF NUP 19/600 ECMA/HA1轴承尺寸、图纸、价格

SKF NUP 19/600 ECMA/HA1轴承

产品名称:NUP 19/600 ECMA/HA1轴承 品牌:SKF
类型:SKF轴承 > 滚动轴承 > 圆柱滚子轴承
描述:NUP 19/600 ECMA/HA1轴承是【SKF轴承 > 滚动轴承 > 圆柱滚子轴承】的型号,主要用在农业机械、燃汽轮机、挖土机履带轮、后轮、造纸机械、起重机吊钩、钢铁厂、化纤机械、强夯机、刮泥机等各大领域

 电话/微信:138-8949-5179

SKF NUP 19/600 ECMA/HA1轴承详细信息

NUP 19/600 ECMA/HA1轴承是【SKF轴承 > 滚动轴承 > 圆柱滚子轴承】的型号,主要用在农业机械、燃汽轮机、挖土机履带轮、后轮、造纸机械、起重机吊钩、钢铁厂、化纤机械、强夯机、刮泥机等各大领域。

SKF NUP 19/600 ECMA/HA1轴承详细参数

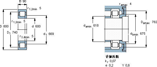
圆柱滚子轴承, 单列, NUP 设计
主要数据尺寸基本负荷额定值疲劳负荷限值额定速度体积型号适宜的斜挡圈
动态静态参照速度限制速度型号
dDBCC0Pu
mmkNkNr/minkg--
6008009019003800275750950140NUP 19/600 ECMA/HA1-

SKF NUP 19/600 ECMA/HA1轴承尺寸图纸

李工:138-8949-5179

刘工:135-0428-8802

地址:辽宁省大连经济技术开发区现代城3栋-13-13号

在线客服系统