轴承专区
Bearings Center
NUP 1876 ECM轴承-SKF NUP 1876 ECM轴承尺寸、图纸、价格
SKF NUP 1876 ECM轴承
| 产品名称: | NUP 1876 ECM轴承 | 品牌: | SKF |
|---|---|---|---|
| 类型: | SKF轴承 > 滚动轴承 > 圆柱滚子轴承 | ||
| 描述: | NUP 1876 ECM轴承是【SKF轴承 > 滚动轴承 > 圆柱滚子轴承】的型号,主要用在内燃机、燃料喷射泵、压缩机、齿轮减速装置、铁路车辆车轴、起重机吊钩、挤压机、陶瓷机械、专用车、码垛机器人等各大领域 | ||
电话/微信:138-8949-5179
SKF NUP 1876 ECM轴承详细信息
NUP 1876 ECM轴承是【SKF轴承 > 滚动轴承 > 圆柱滚子轴承】的型号,主要用在内燃机、燃料喷射泵、压缩机、齿轮减速装置、铁路车辆车轴、起重机吊钩、挤压机、陶瓷机械、专用车、码垛机器人等各大领域。
SKF NUP 1876 ECM轴承详细参数
| 圆柱滚子轴承, 单列, NUP 设计 | ||||||||||||
| 主要数据尺寸 | 基本负荷额定值 | 疲劳负荷限值 | 额定速度 | 体积 | 型号 | 适宜的斜挡圈 | ||||||
| 动态 | 静态 | 参照速度 | 限制速度 | 型号 | ||||||||
| d | D | B | C | C0 | Pu | |||||||
| mm | kN | kN | r/min | kg | - | - | ||||||
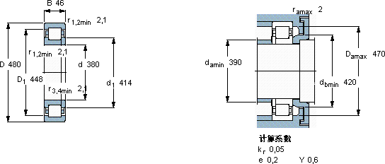
| 380 | 480 | 46 | 539 | 1060 | 86,5 | 1300 | 1300 | 23,0 | NUP 1876 ECM | - | ||
SKF NUP 1876 ECM轴承尺寸图纸

