轴承专区
Bearings Center
NU 2222 ECNML *轴承-SKF NU 2222 ECNML *轴承尺寸、图纸、价格
SKF NU 2222 ECNML *轴承
| 产品名称: | NU 2222 ECNML *轴承 | 品牌: | SKF |
|---|---|---|---|
| 类型: | SKF轴承 > 滚动轴承 > 圆柱滚子轴承 | ||
| 描述: | NU 2222 ECNML *轴承是【SKF轴承 > 滚动轴承 > 圆柱滚子轴承】的型号,主要用在农业机械、机床主轴、燃汽轮机、汽车、振动筛、耕耘机、钢铁厂、制鞋、平地机、太阳能发电设备等各大领域 | ||
电话/微信:138-8949-5179
SKF NU 2222 ECNML *轴承详细信息
NU 2222 ECNML *轴承是【SKF轴承 > 滚动轴承 > 圆柱滚子轴承】的型号,主要用在农业机械、机床主轴、燃汽轮机、汽车、振动筛、耕耘机、钢铁厂、制鞋、平地机、太阳能发电设备等各大领域。
SKF NU 2222 ECNML *轴承详细参数
| 圆柱滚子轴承, 单列, NU 设计, 于外圈的带止动槽 | ||||||||||||
| 主要数据尺寸 | 基本负荷额定值 | 疲劳负荷限值 | 额定速度 | 体积 | 型号 | 适宜的斜挡圈 | ||||||
| 动态 | 静态 | 参照速度 | 限制速度 | 型号 | ||||||||
| d | D | B | C | C0 | Pu | * - SKF Explorer 轴承 | ||||||
| mm | kN | kN | r/min | kg | - | - | ||||||
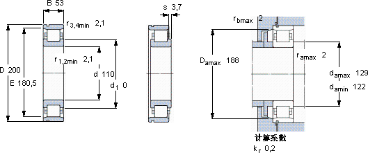
| 110 | 200 | 53 | 440 | 520 | 61 | 3600 | 6000 | 7,40 | NU 2222 ECNML * | - | ||
SKF NU 2222 ECNML *轴承尺寸图纸

