轴承专区
Bearings Center
NNU 6944 V轴承-SKF NNU 6944 V轴承尺寸、图纸、价格
SKF NNU 6944 V轴承
| 产品名称: | NNU 6944 V轴承 | 品牌: | SKF |
|---|---|---|---|
| 类型: | SKF轴承 > 滚动轴承 > 圆柱滚子轴承 | ||
| 描述: | NNU 6944 V轴承是【SKF轴承 > 滚动轴承 > 圆柱滚子轴承】的型号,主要用在电气装置部件、油泵、泵、机床主轴、造纸机械、起重机吊钩、船舶用螺旋桨轴、陶瓷机械、专用车、摩天轮等各大领域 | ||
电话/微信:138-8949-5179
SKF NNU 6944 V轴承详细信息
NNU 6944 V轴承是【SKF轴承 > 滚动轴承 > 圆柱滚子轴承】的型号,主要用在电气装置部件、油泵、泵、机床主轴、造纸机械、起重机吊钩、船舶用螺旋桨轴、陶瓷机械、专用车、摩天轮等各大领域。
SKF NNU 6944 V轴承详细参数
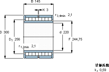
| 圆柱滚子轴承, 多列满装滚子 | ||||||||||
| 主要数据尺寸 | 基本负荷额定值 | 疲劳负荷限值 | 额定速度 | 体积 | 型号 | |||||
| 动态 | 静态 | 参照速度 | 限制速度 | |||||||
| d | D | B | C | C0 | Pu | |||||
| mm | kN | kN | r/min | kg | - | |||||
| 220 | 300 | 145 | 1300 | 4000 | 375 | 300 | 360 | 33,5 | NNU 6944 V | |
SKF NNU 6944 V轴承尺寸图纸

